Cub Cadet XT2 PS117I 13BZA1CN603 (2018) Schaltplan Elektromagnetkupplung Ersatzteile
Schaltplan Elektromagnetkupplung 13BZA1CN603 (2018)

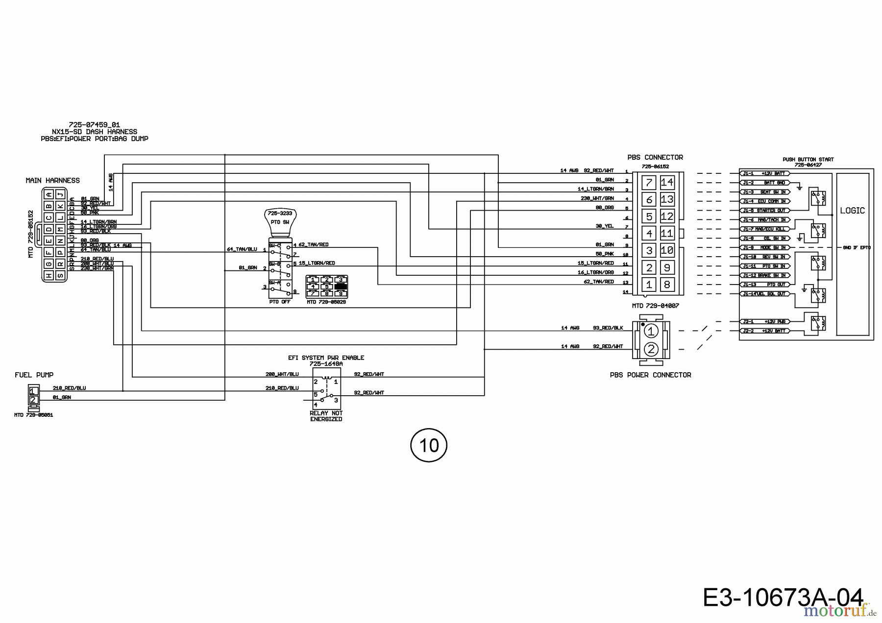
Hier finden Sie die Ersatzteilzeichnung für Cub Cadet Rasentraktoren XT2 PS117I 13BZA1CN603 (2018) Schaltplan Elektromagnetkupplung. Wählen Sie das benötigte Ersatzteil aus der Ersatzteilliste Ihres Cub Cadet Gerätes aus und bestellen Sie einfach online. Viele Cub Cadet Ersatzteile halten wir ständig in unserem Lager für Sie bereit.
| BildNr | Artikel Nummer | Bezeichnung | |
| 10 | 725-07459 | KABELBAUM:NX15SD:EPTO:PBS:DLR | |


Qualitätsmanagement
Informieren Sie uns, wenn Sie einen Fehler gefunden haben.

