Toro 58600 - 20" Home Pro Tiller, 1979 (9000001-9999999) BRIGGS & STRATTON ENGINE MODEL NO. 130292 TYPE 0728-02 Ersatzteile
BRIGGS & STRATTON ENGINE MODEL NO. 130292 TYPE 0728-02 58600 - Toro 20" Home Pro Tiller, 1979 (9000001-9999999)

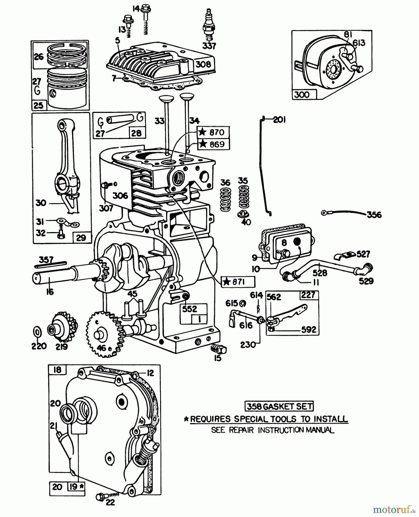
Hier finden Sie die Ersatzteilzeichnung für Toro Neu Tillers/Cultivators 58600 - Toro 20" Home Pro Tiller, 1979 (9000001-9999999) BRIGGS & STRATTON ENGINE MODEL NO. 130292 TYPE 0728-02. Wählen Sie das benötigte Ersatzteil aus der Ersatzteilliste Ihres Toro Gerätes aus und bestellen Sie einfach online. Viele Toro Ersatzteile halten wir ständig in unserem Lager für Sie bereit.


Qualitätsmanagement
Informieren Sie uns, wenn Sie einen Fehler gefunden haben.

