Einstellungen Computer

Toro 01-11B803 (1100) - 1100 Special Tractor, 1980 MECHANICAL TRANSMISSION-8 SPEED #1 Ersatzteile

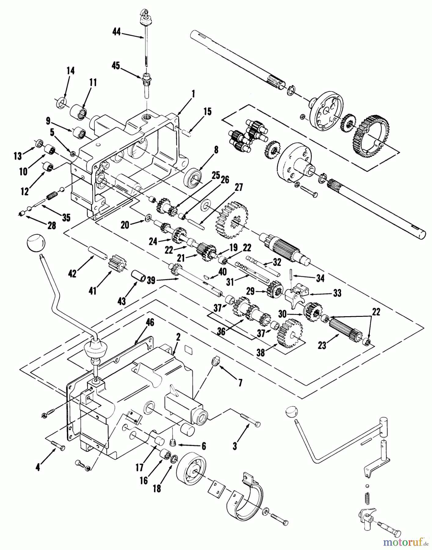
MECHANICAL TRANSMISSION-8 SPEED #1 01-11B803 (1100) - Toro 1100 Special Tractor, 1980

 Toro Neu Mowers, Lawn & Garden Tractor Seite 1 01-11B803 (1100) - Toro 1100 Special Tractor, 1980 MECHANICAL TRANSMISSION-8 SPEED #1

Hier finden Sie die Ersatzteilzeichnung für Toro Neu Mowers, Lawn & Garden Tractor Seite 1 01-11B803 (1100) - Toro 1100 Special Tractor, 1980 MECHANICAL TRANSMISSION-8 SPEED #1. Wählen Sie das benötigte Ersatzteil aus der Ersatzteilliste Ihres Toro Gerätes aus und bestellen Sie einfach online. Viele Toro Ersatzteile halten wir ständig in unserem Lager für Sie bereit.

Rasen
Bankeinzug, MasterCard, Visa, American Express, PayPal, Nachnahme, Vorauskasse, Sofortüberweisung
Datenschutzerklärung Impressum
Qualitätsmanagement
Informieren Sie uns, wenn Sie einen Fehler gefunden haben.