Einstellungen Computer

Toro 30117 - Mid-Size Proline Gear Traction Unit, 16 hp, 1990 (0000001-0999999) ENGINE ASSEMBLY Ersatzteile

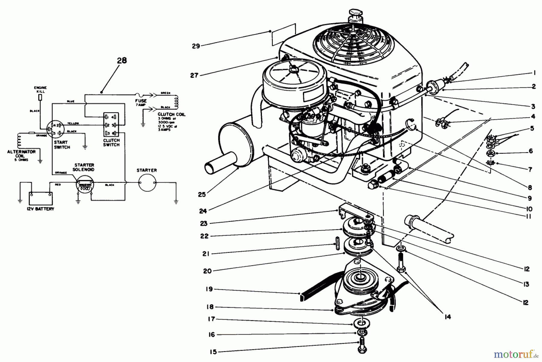
ENGINE ASSEMBLY 30117 - Toro Mid-Size Proline Gear Traction Unit, 16 hp, 1990 (0000001-0999999)

 Toro Neu Mowers, Drive Unit Only 30117 - Toro Mid-Size Proline Gear Traction Unit, 16 hp, 1990 (0000001-0999999) ENGINE ASSEMBLY

Hier finden Sie die Ersatzteilzeichnung für Toro Neu Mowers, Drive Unit Only 30117 - Toro Mid-Size Proline Gear Traction Unit, 16 hp, 1990 (0000001-0999999) ENGINE ASSEMBLY. Wählen Sie das benötigte Ersatzteil aus der Ersatzteilliste Ihres Toro Gerätes aus und bestellen Sie einfach online. Viele Toro Ersatzteile halten wir ständig in unserem Lager für Sie bereit.

Rasen
Bankeinzug, MasterCard, Visa, American Express, PayPal, Nachnahme, Vorauskasse, Sofortüberweisung
Datenschutzerklärung Impressum
Qualitätsmanagement
Informieren Sie uns, wenn Sie einen Fehler gefunden haben.