Toro 62924 - 5 hp Lawn Vacuum, 1995 (5900001-5999999) ENGINE BRIGGS & STRATTONMODEL 135202-0263-01 #1 Ersatzteile
ENGINE BRIGGS & STRATTONMODEL 135202-0263-01 #1 62924 - Toro 5 hp Lawn Vacuum, 1995 (5900001-5999999)

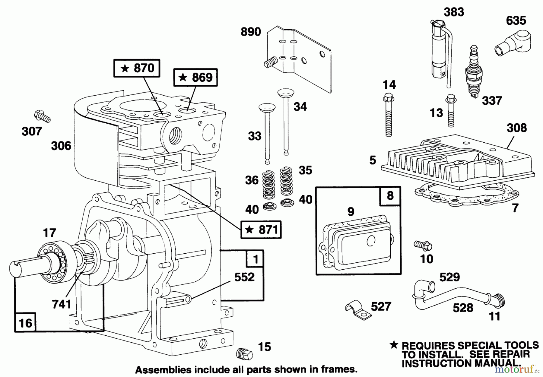
Hier finden Sie die Ersatzteilzeichnung für Toro Neu Blowers/Vacuums/Chippers/Shredders 62924 - Toro 5 hp Lawn Vacuum, 1995 (5900001-5999999) ENGINE BRIGGS & STRATTONMODEL 135202-0263-01 #1. Wählen Sie das benötigte Ersatzteil aus der Ersatzteilliste Ihres Toro Gerätes aus und bestellen Sie einfach online. Viele Toro Ersatzteile halten wir ständig in unserem Lager für Sie bereit.


Qualitätsmanagement
Informieren Sie uns, wenn Sie einen Fehler gefunden haben.





