Toro 67-36TL01 - 36" Tiller, 1976 PARTS LIST FOR 36" TILLER (FACTORY ORDER NUMBER 67-36TL01) Ersatzteile
PARTS LIST FOR 36" TILLER (FACTORY ORDER NUMBER 67-36TL01) 67-36TL01 - Toro 36" Tiller, 1976

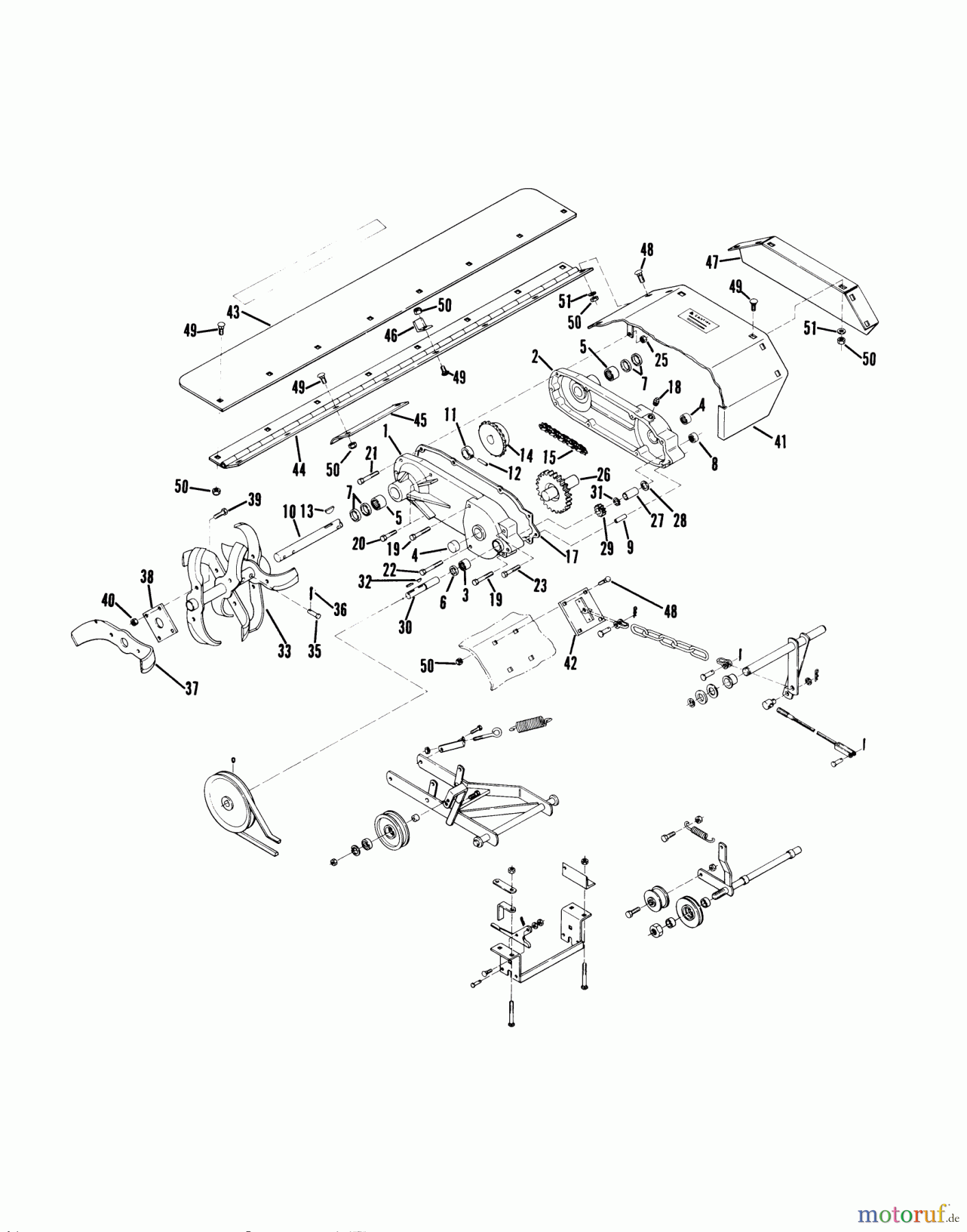
Hier finden Sie die Ersatzteilzeichnung für Toro Neu Accessories, Tiller/Cultivator 67-36TL01 - Toro 36" Tiller, 1976 PARTS LIST FOR 36" TILLER (FACTORY ORDER NUMBER 67-36TL01). Wählen Sie das benötigte Ersatzteil aus der Ersatzteilliste Ihres Toro Gerätes aus und bestellen Sie einfach online. Viele Toro Ersatzteile halten wir ständig in unserem Lager für Sie bereit.


Qualitätsmanagement
Informieren Sie uns, wenn Sie einen Fehler gefunden haben.

