Tanaka EHC-120 - Cut-Off Saw Engine Ersatzteile
Engine EHC-120 - Tanaka Cut-Off Saw

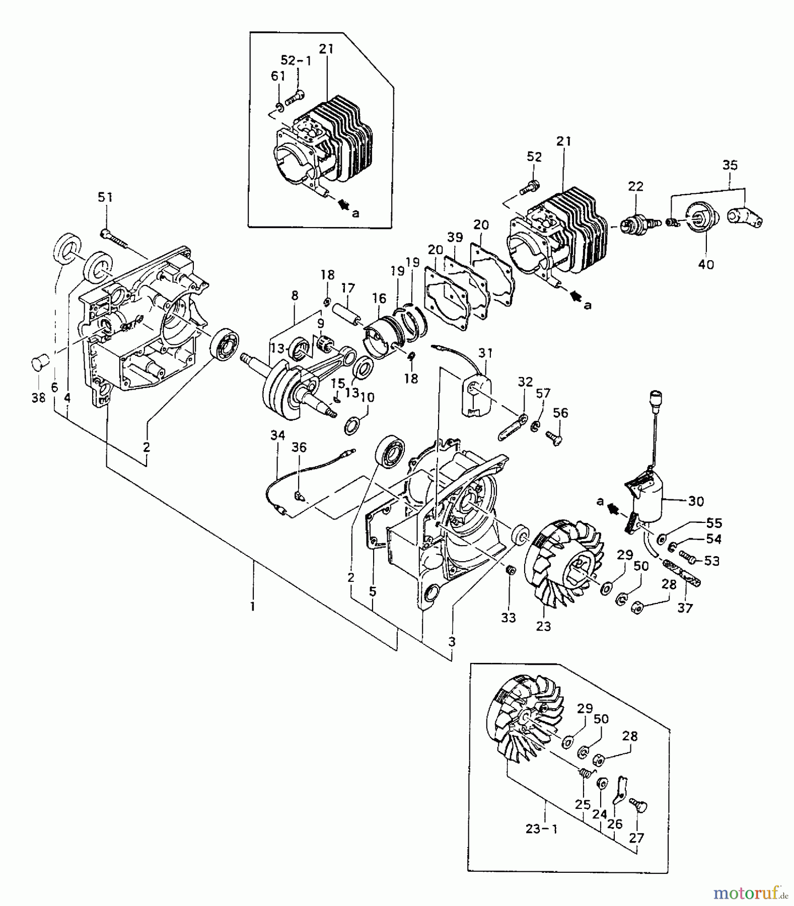
Hier finden Sie die Ersatzteilzeichnung für Tanaka Kappsägen EHC-120 - Tanaka Cut-Off Saw Engine. Wählen Sie das benötigte Ersatzteil aus der Ersatzteilliste Ihres Tanaka Gerätes aus und bestellen Sie einfach online. Viele Tanaka Ersatzteile halten wir ständig in unserem Lager für Sie bereit.


Qualitätsmanagement
Informieren Sie uns, wenn Sie einen Fehler gefunden haben.


