Einstellungen Computer

Tanaka THT-210 - Hedge Trimmer Engine Ersatzteile

Engine THT-210 - Tanaka Hedge Trimmer

 Tanaka Heckenscheeren THT-210 - Tanaka Hedge Trimmer Engine

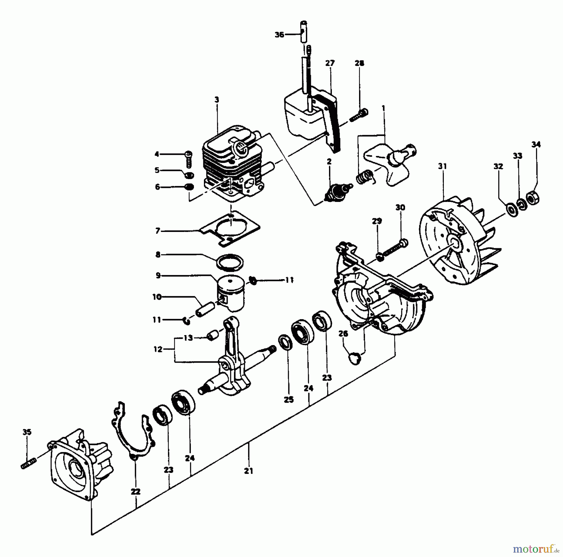
Hier finden Sie die Ersatzteilzeichnung für Tanaka Heckenscheeren THT-210 - Tanaka Hedge Trimmer Engine. Wählen Sie das benötigte Ersatzteil aus der Ersatzteilliste Ihres Tanaka Gerätes aus und bestellen Sie einfach online. Viele Tanaka Ersatzteile halten wir ständig in unserem Lager für Sie bereit.

Rasen
Bankeinzug, MasterCard, Visa, American Express, PayPal, Nachnahme, Vorauskasse, Sofortüberweisung
Datenschutzerklärung Impressum
Qualitätsmanagement
Informieren Sie uns, wenn Sie einen Fehler gefunden haben.