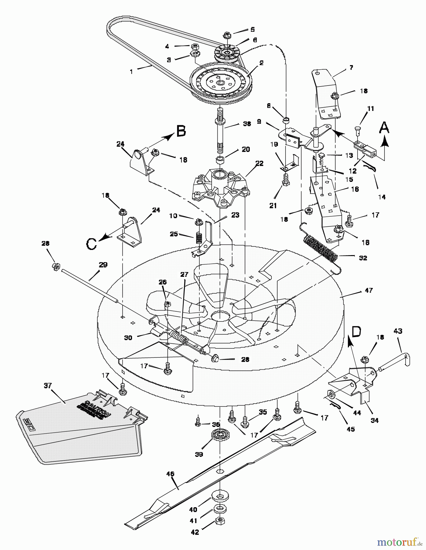
Murray 30550F - 30" Rear Engine Rider (1997) Mower Housing Ersatzteile
Mower Housing 30550F - Murray 30" Rear Engine Rider (1997)

Hier finden Sie die Ersatzteilzeichnung für Murray Reitermäher 30550F - Murray 30" Rear Engine Rider (1997) Mower Housing. Wählen Sie das benötigte Ersatzteil aus der Ersatzteilliste Ihres Murray Gerätes aus und bestellen Sie einfach online. Viele Murray Ersatzteile halten wir ständig in unserem Lager für Sie bereit.


Qualitätsmanagement
Informieren Sie uns, wenn Sie einen Fehler gefunden haben.








