Einstellungen Computer

Murray 40717A - 40" Lawn Tractor (1997) Motion Drive Ersatzteile

Motion Drive 40717A - Murray 40" Lawn Tractor (1997)

 Murray Rasen- und Gartentraktoren 40717A - Murray 40

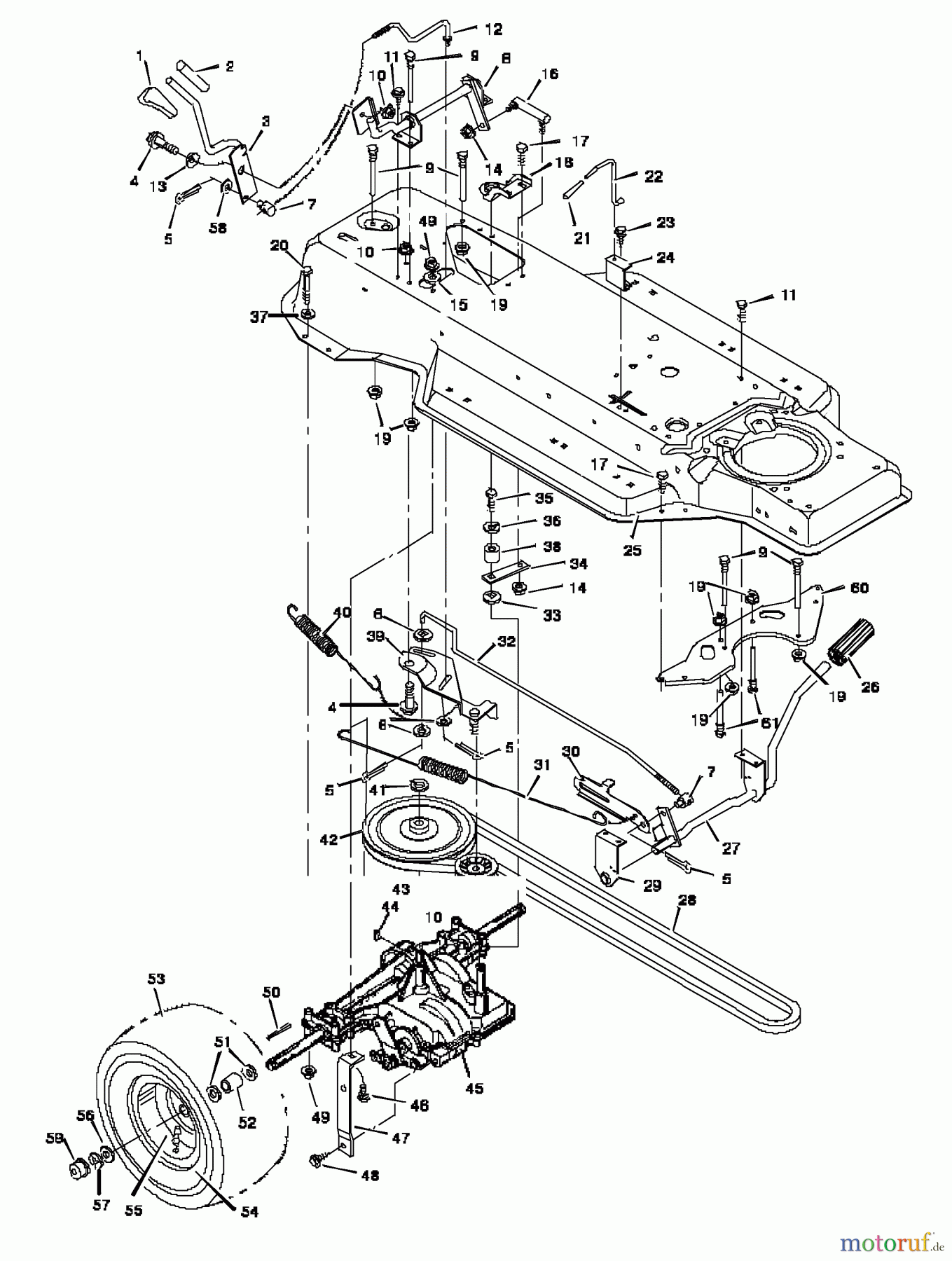
Hier finden Sie die Ersatzteilzeichnung für Murray Rasen- und Gartentraktoren 40717A - Murray 40" Lawn Tractor (1997) Motion Drive. Wählen Sie das benötigte Ersatzteil aus der Ersatzteilliste Ihres Murray Gerätes aus und bestellen Sie einfach online. Viele Murray Ersatzteile halten wir ständig in unserem Lager für Sie bereit.

BildNrArtikel NummerBezeichnung
1 BS092697MAGRIP - .50 ID - BLACK
2 BSEingangswelle UE 600
3 BS092031SEMASHIFT HANDLE ASS'Y
4 BS009X39MAANSATZBOLZEN .38-16 X .
5 BS030X20MAPIN-COTTER.09D-.750L
6 BS17X472
7 BS021920ZMAJUSTIERMUTTER
8 BS92043E701
9 BS091754MASCREW,GUIDE 5/16-18 Z
10 BS015X84MAMUTTER, CENTERLOCK .38-
11 BS26X249MASCREW-.312-18X.75
12 BS091877
13 BS0020X1MASCHEIBE.66.98X01 SPR
14 BS015X87ZMANUT.38-24 CENTERLOCK
15 BS017X45MAWASHER,FLAT .33 1. 16
16 BS092085
17 BS26X249MASCREW-.312-18X.75
18 BS091899 Z
19 BS015X79MANUT.31-18 FLANGELOCK
20 BS01X124
21 BS092724
22 BS91727E701
23 BS26X214MASCREW HEXHEAD TAP.
24 BS91825E701
25 BS092815F200
26 BS021544MACLUTCH & BRAKE PEDAL
27 BS91862E701
28 BS037X61AMA
29 BS091713E701MABREMSPEDAL
30 BS917122
31 BS165X82MASPRING-EXTENSION
32 BS918082
33 BS17X148MAUNTERLEGSCHEIBE.38 SQ 1. 16G F
34 BS092041 Z
35 BS01X145MABOLT,HEX.25-28X0.75 Z
36 BS018X32MAWASHER.25.48X.07 SPLI
37 BS017X37MAWASHER,FLAT .26.62
38 BS091889MAFUHRUNGSZAPFEN
39 BS092737ZMALEITROLLE HALTERUNG. ASSY
40 BS165X76SEMAZUGFEDER
41 BS0011X7MASPRENGRING/SEEGERRING.625D.035
42 BS091807
43 Murray IDLER PULLEY-BBS091179MAIDLER PULLEY-B'SIDE
44 BS020697MAWOODRUFF KEY #9
45 BSEingangswelle UE 600
46 BS002X64MABOLT-CRG.31-18X0.75
47 BS91804E701
48 Murray SCREW-THREAD FORMINGBS26X216MASCREW-THREAD FORMING
49 Murray NUT,CENTERLOCK  Z  .3BS015X88MANUT,CENTERLOCK Z .3
50 BS021553MAVIERKANTSCHLUSSEL- 3/16
51 BS17X160MAWASHER.76-1.2 16G FL
52 BS690553ZMASPACER
53 BS091914MA18X9.5 TIRE/TURF SE
-- BS407049MAINNER TUBE-18X9.5 SE
54 BS092289601MA18X9.50 RAD MONTAGE II
55 BS024373MAVENTIL STM&CP,TR41 SE
56 BS17X195MAUNTERLEGSCHEIBE
57 BS0011X3MARING,E .750D .050T
58 BS17X532
59 Murray HUB CAPBS094618MAHUB CAP
60 BS092694E701MARIEMENFUHRUNGSBLECH
61 BS020619MAFUHRUNGSSCHRAUBE
Rasen
Bankeinzug, MasterCard, Visa, American Express, PayPal, Nachnahme, Vorauskasse, Sofortüberweisung
Datenschutzerklärung Impressum
Qualitätsmanagement
Informieren Sie uns, wenn Sie einen Fehler gefunden haben.