Einstellungen Computer

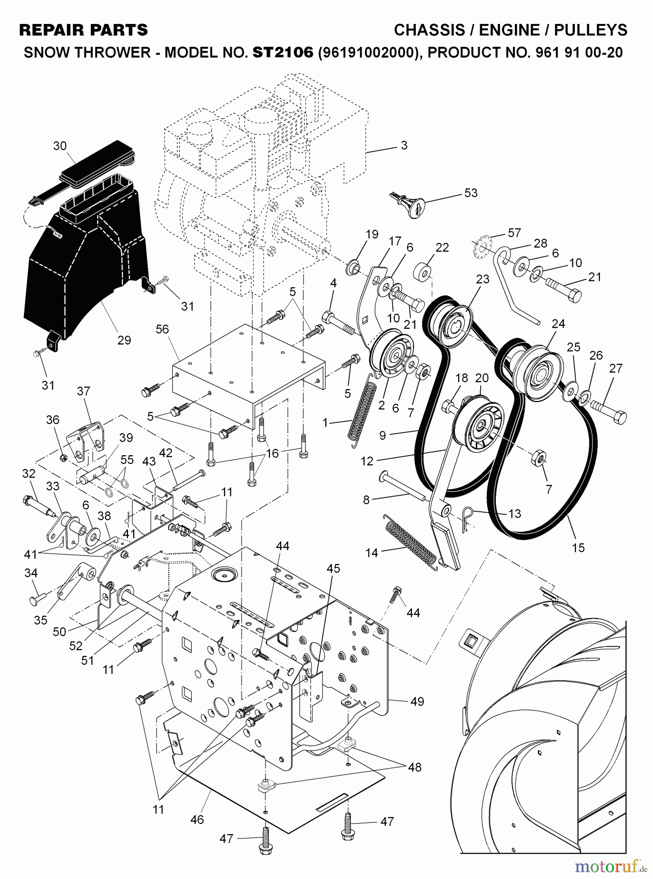
Jonsered ST 2106 (96191002000) - Snow Thrower (2007-07) CHASSIS ENGINE PULLEYS Ersatzteile

CHASSIS ENGINE PULLEYS ST 2106 (96191002000) - Jonsered Snow Thrower (2007-07)

 Jonsered Schneefräsen ST 2106 (96191002000) - Jonsered Snow Thrower (2007-07) CHASSIS ENGINE PULLEYS

Hier finden Sie die Ersatzteilzeichnung für Jonsered Schneefräsen ST 2106 (96191002000) - Jonsered Snow Thrower (2007-07) CHASSIS ENGINE PULLEYS. Wählen Sie das benötigte Ersatzteil aus der Ersatzteilliste Ihres Jonsered Gerätes aus und bestellen Sie einfach online. Viele Jonsered Ersatzteile halten wir ständig in unserem Lager für Sie bereit.

Rasen
Bankeinzug, MasterCard, Visa, American Express, PayPal, Nachnahme, Vorauskasse, Sofortüberweisung
Datenschutzerklärung Impressum
Qualitätsmanagement
Informieren Sie uns, wenn Sie einen Fehler gefunden haben.