Einstellungen Computer

Echo SRM-3000 - String Trimmer, S/N:034001 - 037500 Engine, Crankcase, Fan Housing, Cover Ersatzteile

Engine, Crankcase, Fan Housing, Cover SRM-3000 - Echo String Trimmer, S/N:034001 - 037500

 Echo Trimmer, Faden / Bürste SRM-3000 - Echo String Trimmer, S/N:034001 - 037500 Engine, Crankcase, Fan Housing, Cover

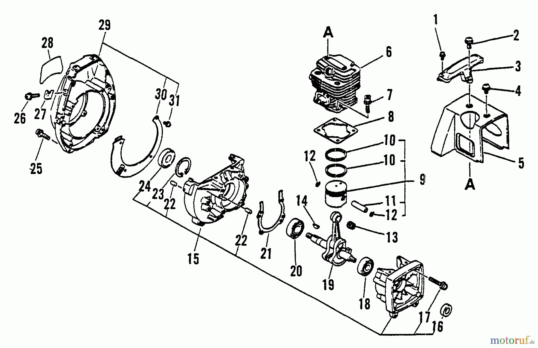
Hier finden Sie die Ersatzteilzeichnung für Echo Trimmer, Faden / Bürste SRM-3000 - Echo String Trimmer, S/N:034001 - 037500 Engine, Crankcase, Fan Housing, Cover. Wählen Sie das benötigte Ersatzteil aus der Ersatzteilliste Ihres Echo Gerätes aus und bestellen Sie einfach online. Viele Echo Ersatzteile halten wir ständig in unserem Lager für Sie bereit.

Rasen
Bankeinzug, MasterCard, Visa, American Express, PayPal, Nachnahme, Vorauskasse, Sofortüberweisung
Datenschutzerklärung Impressum
Qualitätsmanagement
Informieren Sie uns, wenn Sie einen Fehler gefunden haben.