Cub Cadet 221 LHP 31AR2T6D603 (2017) Keilriemen, Motor, Tank Ersatzteile
Keilriemen, Motor, Tank 31AR2T6D603 (2017)

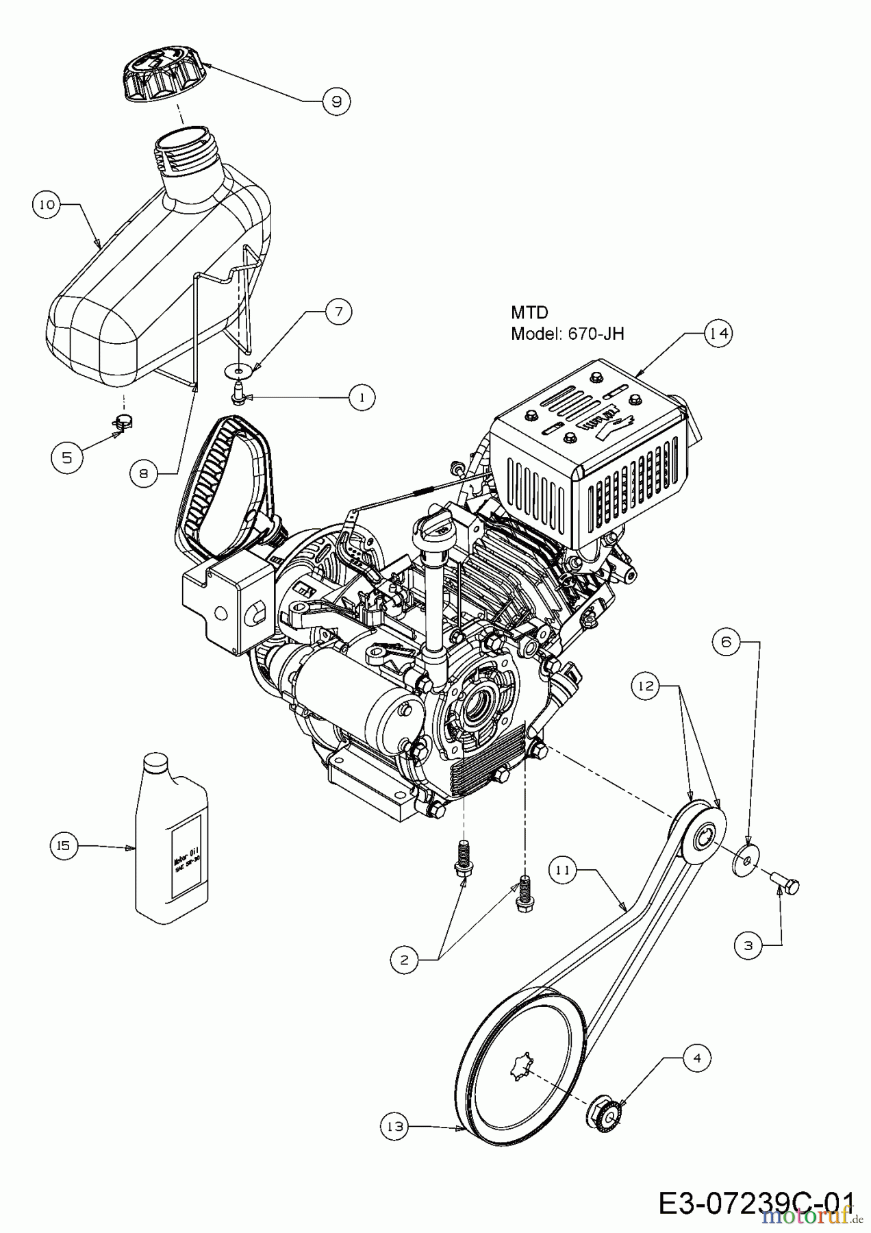
Hier finden Sie die Ersatzteilzeichnung für Cub Cadet Schneefräsen 221 LHP 31AR2T6D603 (2017) Keilriemen, Motor, Tank. Wählen Sie das benötigte Ersatzteil aus der Ersatzteilliste Ihres Cub Cadet Gerätes aus und bestellen Sie einfach online. Viele Cub Cadet Ersatzteile halten wir ständig in unserem Lager für Sie bereit.






