Einstellungen Computer

Toro 30575 - 72" Side Discharge Mower, 1993 (390001-399999) DECK ASSEMBLY Ersatzteile

DECK ASSEMBLY 30575 - Toro 72" Side Discharge Mower, 1993 (390001-399999)

 Toro Neu Mowers, Deck Assembly Only 30575 - Toro 72

Hier finden Sie die Ersatzteilzeichnung für Toro Neu Mowers, Deck Assembly Only 30575 - Toro 72" Side Discharge Mower, 1993 (390001-399999) DECK ASSEMBLY. Wählen Sie das benötigte Ersatzteil aus der Ersatzteilliste Ihres Toro Gerätes aus und bestellen Sie einfach online. Viele Toro Ersatzteile halten wir ständig in unserem Lager für Sie bereit.

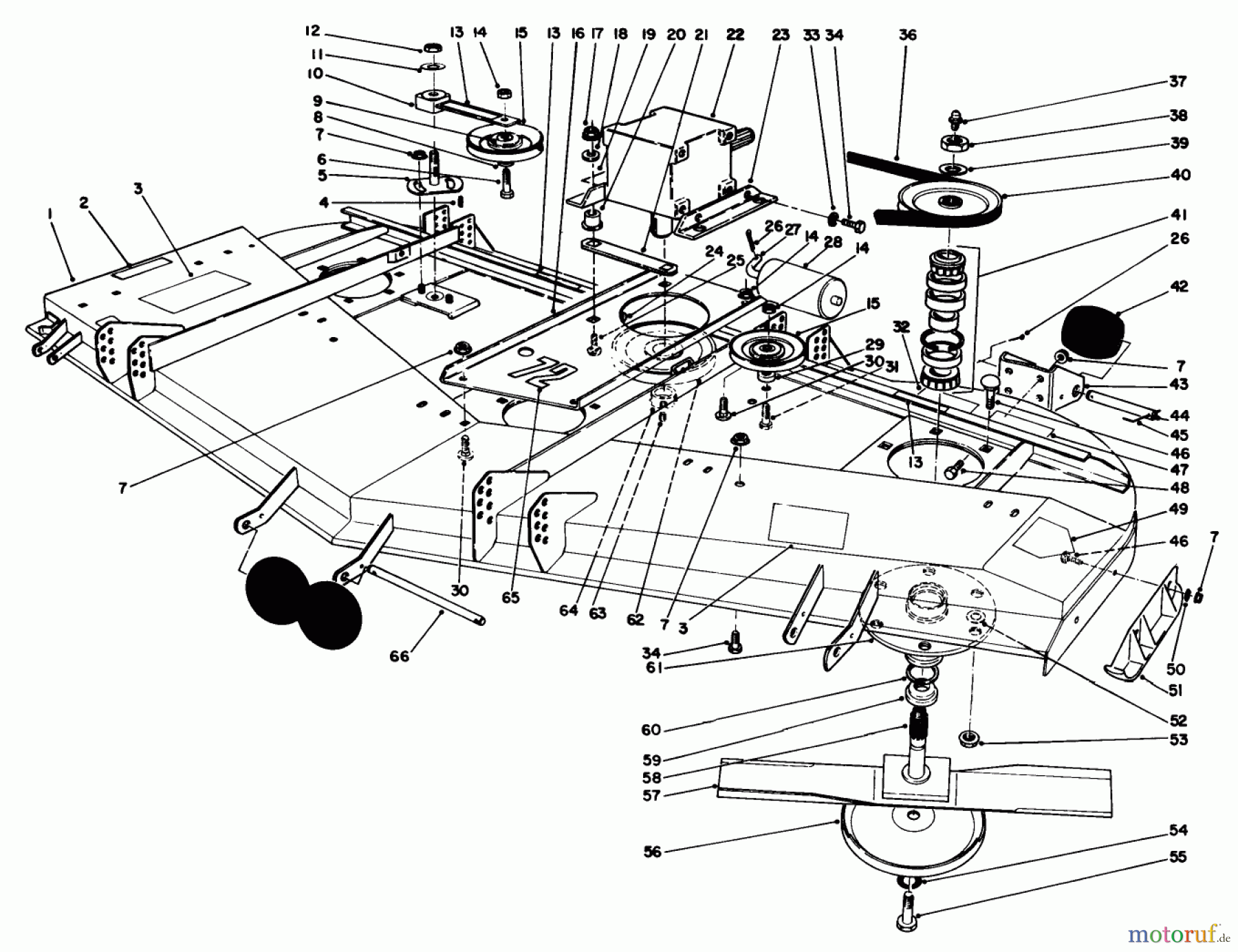
BildNrArtikel NummerBezeichnung
1 TR92-8766DISCONTINUED
2 TR66-6380Schild
3 TR66-1340DECAL-DANGER, THROWN OBJECT
4 TR5-1077Keil
5 TR44-6300Haltebock
6 TR321-18SCHRAUBE
7 TR3290-357NUT-HHF, WHIZ
8 TR65-5950Buechse
9 TR7-0081Scheibe
10 TR99-1297IDLER ARM ASM
11 TR3256-27Scheibe
12 TR3296-33Mutter
13 TR67-5360DECAL-DANGER
14 TR3296-5Stopmutter
15 TR65-5940Keilriemenscheibe
16 TR68-8530-01BASE-GEARBOX
17 Toro NUT-LOCK, SIDETR32153-2NUT-LOCK, SIDE
18 TR63-8410Scheibe
19 TR93-6697Klebeschild
20 TR63-9750GUMMIBUECHSE
21 TR68-9890-01COVER-GEARBOX, FRONT
22 TR108-1370Winkelgetriebe
23 TR68-8560-03Halter
24 TR3257-5Keil
25 TR3231-26SCREW-CARR
26 TR3272-11Splint
27 TR40-0340SHAFT-ROLLER, REAR
28 TR36-1740Laufrolle
29 TR44-6390Buechse
30 TR3231-27Schraube
31 TR3211-9Schraube
32 TR68-8340DECAL-TORQUE
33 TR3253-21Federring
34 TR323-4Schraube
36 TR57-0240Keilriemen
37 TR302-2Fettnippel
38 TR32146-20Mutter
39 TR7-4150WASHER
40 TR57-0560Keilriemenscheibe
41 TR46-8530BEARING ASM
42 Toro RolleTR29-4820Rolle
43 TR57-0580-01ROLLER BRKT L REAR
TR57-0590-01Rollenhalter
44 TR57-0680Welle
45 TR57-0690PIN-SPECIAL
46 TR3231-22Schraube
47 TR68-7270DECAL - WARNING
48 TR323-7Schraube
49 TR43-8480DECAL-DANGER
50 TR3290-224Scheibe
51 TR57-0570-01Gleitkufe
52 Toro WASHER-FLATTR3256-24WASHER-FLAT
53 TR32128-21Mutter
54 TR67-5770Unterlagscheibe
55 TR44-2200Messerschraube
56 TR72-9361Schutzscheibe
57 TR94-1861-03BLADE-24.75IN
58 TR27-0920SHAFT
59 TR27-0950Lagerbuechse
60 TR253-139SEAL-OIL
61 TR61-4160HOUSING-SPINDLE
62 TR63-9900KEILRIEMENSCHEIBE
63 TR3245-9Schraube
64 TR27-6140BUSHING-LOCK, TAPER
65 TR57-0280Schild
66 TR40-6400Bolzen
TR57-0260Messerlagerung Kompl.
Rasen
Bankeinzug, MasterCard, Visa, American Express, PayPal, Nachnahme, Vorauskasse, Sofortüberweisung
Datenschutzerklärung Impressum
Qualitätsmanagement
Informieren Sie uns, wenn Sie einen Fehler gefunden haben.