Einstellungen Computer

Toro 30941 - 41cc Back Pack Blower, 1986 (6000001-6002183) ENGINE & MUFFLER ASSEMBLY Ersatzteile

ENGINE & MUFFLER ASSEMBLY 30941 - Toro 41cc Back Pack Blower, 1986 (6000001-6002183)

 Toro Neu Blowers/Vacuums/Chippers/Shredders 30941 - Toro 41cc Back Pack Blower, 1986 (6000001-6002183) ENGINE & MUFFLER ASSEMBLY

Hier finden Sie die Ersatzteilzeichnung für Toro Neu Blowers/Vacuums/Chippers/Shredders 30941 - Toro 41cc Back Pack Blower, 1986 (6000001-6002183) ENGINE & MUFFLER ASSEMBLY. Wählen Sie das benötigte Ersatzteil aus der Ersatzteilliste Ihres Toro Gerätes aus und bestellen Sie einfach online. Viele Toro Ersatzteile halten wir ständig in unserem Lager für Sie bereit.

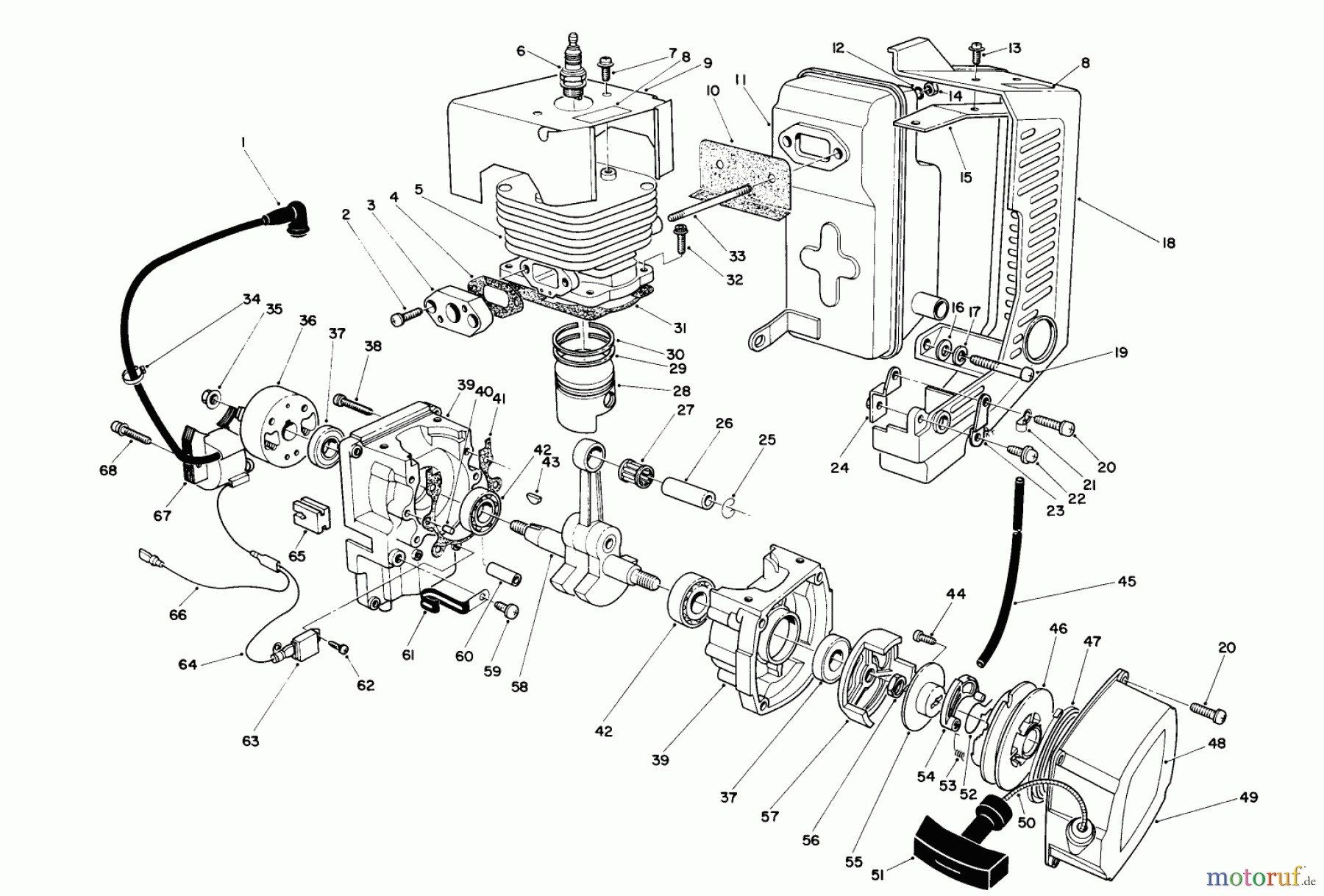
BildNrArtikel NummerBezeichnung
1 TR54-4730CAP-PLUG
2 TR56-8350SCREW & WASHER
3 TR56-8420FLANGE
4 TR56-8430GASKET
5 TR56-8180CYLINDER
6 TR56-8290DISCONTINUED
7 TR54-6890SCREW & WASHER
8 TR65-2690DECAL-SURFACE, HOT
9 TR56-8160CYL COVER
10 TR56-8740MUFFLER GASKET
11 TR56-8750MUFFLER
12 TR51-7400SCHEIBE
13 TR56-8790SCREW & WASHER
14 TR56-8770NUT
15 TR56-8780BRACKET
16 TR56-8810DISCONTINUED
17 TR56-8820DISCONTINUED
18 TR56-8800MUFFLER COVER
19 TR56-8830DISCONTINUED
20 TR56-8880SCREW & WASHER
21 TR56-8890DISCONTINUED
22 TR56-8840SCREW & WASHER
23 TR56-8850BRACKET
24 TR56-8860BRACKET
25 TR56-8230PISTON PIN CLIP
26 TR56-8260DISCONTINUED
27 TR56-8270NEEDLE BEARING
28 TR56-8240PISTON SET
29 TR56-8220TOP RING
30 TR56-8210TOP RING
31 TR56-8200GASKET
32 TR56-8190FLANGE BOLT
33 TR56-8170STUD BOLT
34 TR54-5990BAND
35 TR54-4670Mutter
36 TR56-8300ROTOR
37 TR56-8120OIL SEAL
38 TR54-5760Schraube
39 TR56-8110CRANKCASE
40 TR54-4510DISCONTINUED
41 TR56-8150GASKET
42 TR54-5680BALL BEARING
43 TR54-4660KEY
44 TR60-8220DISCONTINUED
45 TR56-8380FUEL TUBE
46 TR54-7000REEL
47 TR54-7010SPRING, SPIRAL
48 TR63-9430DISCONTINUED
49 TR99-5281DISCONTINUED
50 Toro ROPE - NATURAL (#5.5, 97" LONGTR613773ROPE - NATURAL (#5.5, 97" LONG
51 TR56-8970STARTER KNOB
52 TR54-6320SPRING, FRICTION
53 TR54-6330SPRING, RETURN
54 TR54-6360RATCHET
55 TR56-8930DISCONTINUED
56 TR56-8910J/S NUT
57 TR56-8920STARTER PULLEY
58 TR56-8280CRANKSHAFT ASM
59 TR56-8140DISCONTINUED
60 TR56-8870PIPE
61 TR56-8130DISCONTINUED
62 TR54-4610Schraube
63 TR106-4163TRANSISTOR UNIT & WIRE LEAD AS
64 TR56-8330LEAD WIRE
65 TR56-8340DISCONTINUED
66 TR56-9300DISCONTINUED
67 TR56-8310DISCONTINUED
68 TR54-4790BOLT AND WASHER
TR56-8900RECOIL STARTER
TR56-6200
Rasen
Bankeinzug, MasterCard, Visa, American Express, PayPal, Nachnahme, Vorauskasse, Sofortüberweisung
Datenschutzerklärung Impressum