Einstellungen Computer

Trennschneider, Floor CUTTING BRIDGE Ersatzteile

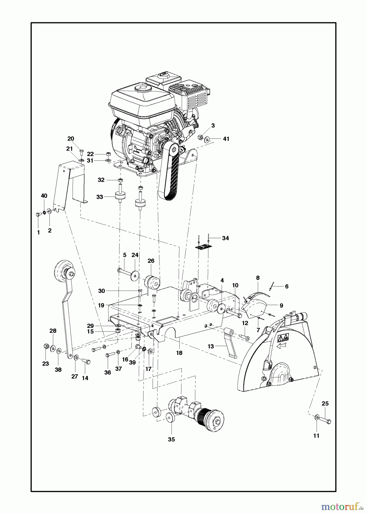
CUTTING BRIDGE FS309, 2013-11

 Trennschneider, Floor FS309, 2013-11 CUTTING BRIDGE

Hier finden Sie die Ersatzteilzeichnung für Trennschneider, Floor FS309, 2013-11 CUTTING BRIDGE. Wählen Sie das benötigte Ersatzteil aus der Ersatzteilliste Ihres Trennschneider, Floor Gerätes aus und bestellen Sie einfach online. Viele Trennschneider, Floor Ersatzteile halten wir ständig in unserem Lager für Sie bereit.

Rasen
Bankeinzug, MasterCard, Visa, American Express, PayPal, Nachnahme, Vorauskasse, Sofortüberweisung
Datenschutzerklärung Impressum
Qualitätsmanagement
Informieren Sie uns, wenn Sie einen Fehler gefunden haben.