Einkaufswagen
Mein Konto

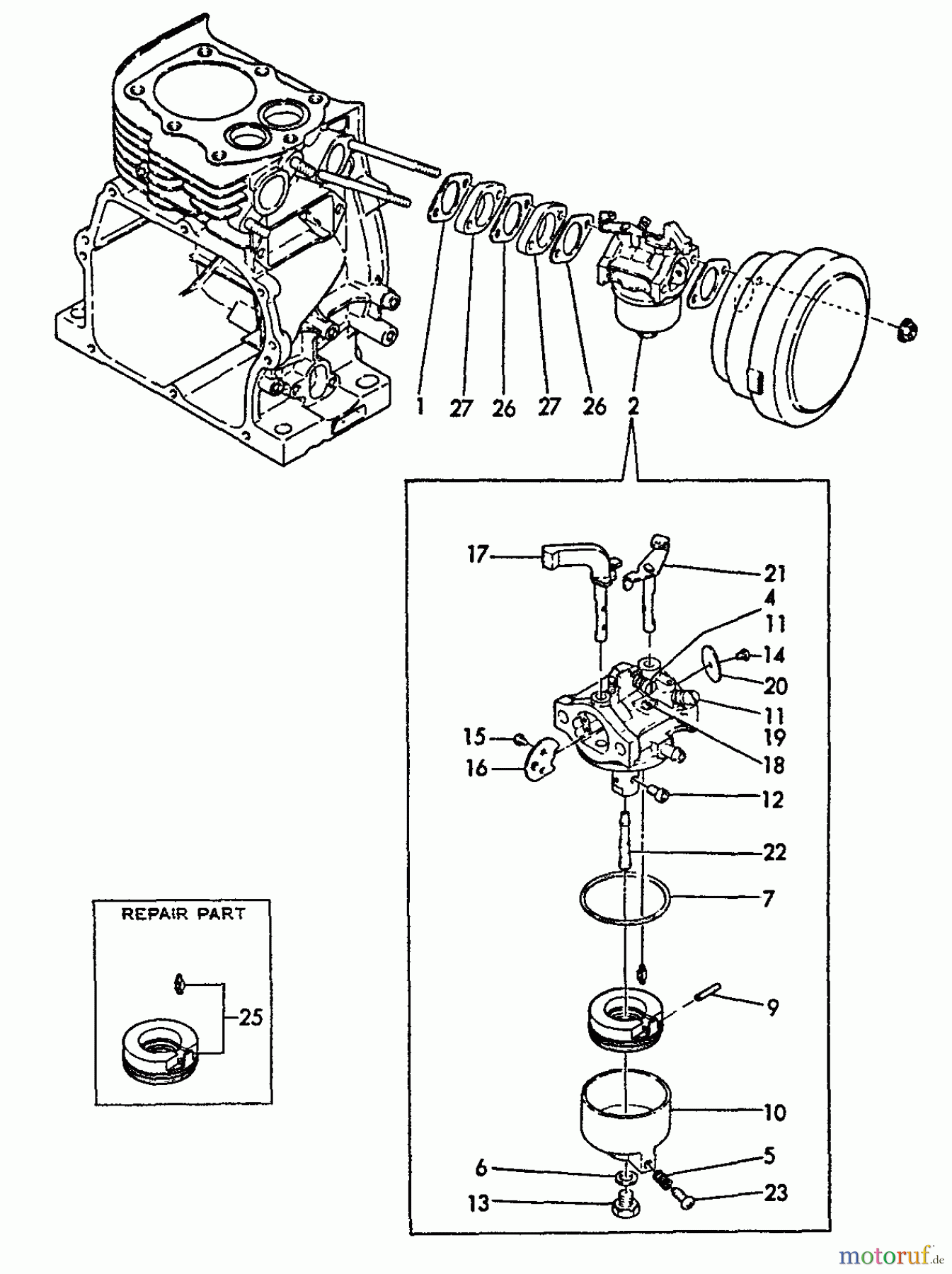
Echo WP-3000 - Water Pump, S/N: F7299 - F9999 Carburetor Ersatzteile

Carburetor WP-3000 - Echo Water Pump, S/N: F7299 - F9999

 Echo Wasserpumpen WP-3000 - Echo Water Pump, S/N: F7299 - F9999 Carburetor

Hier finden Sie die Ersatzteilzeichnung für Echo Wasserpumpen WP-3000 - Echo Water Pump, S/N: F7299 - F9999 Carburetor. Wählen Sie das benötigte Ersatzteil aus der Ersatzteilliste Ihres Echo Gerätes aus und bestellen Sie einfach online. Viele Echo Ersatzteile halten wir ständig in unserem Lager für Sie bereit.

Rasen
Bankeinzug, MasterCard, Visa, American Express, PayPal, Nachnahme, Vorauskasse, Sofortüberweisung
Qualitätsmanagement
Informieren Sie uns, wenn Sie einen Fehler gefunden haben.