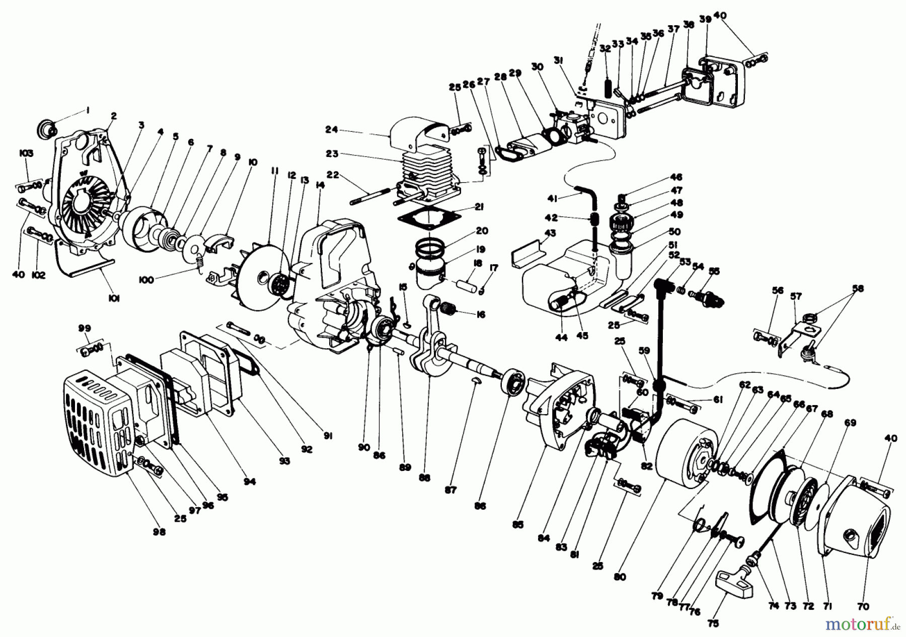
Toro 30910 - 21cc Gas Trimmer, Deluxe, 1981 (1000001-1999999) ENGINE ASSEMBLY Ersatzteile
ENGINE ASSEMBLY 30910 - Toro 21cc Gas Trimmer, Deluxe, 1981 (1000001-1999999)

Hier finden Sie die Ersatzteilzeichnung für Toro Neu Trimmers, String/Brush 30910 - Toro 21cc Gas Trimmer, Deluxe, 1981 (1000001-1999999) ENGINE ASSEMBLY. Wählen Sie das benötigte Ersatzteil aus der Ersatzteilliste Ihres Toro Gerätes aus und bestellen Sie einfach online. Viele Toro Ersatzteile halten wir ständig in unserem Lager für Sie bereit.



