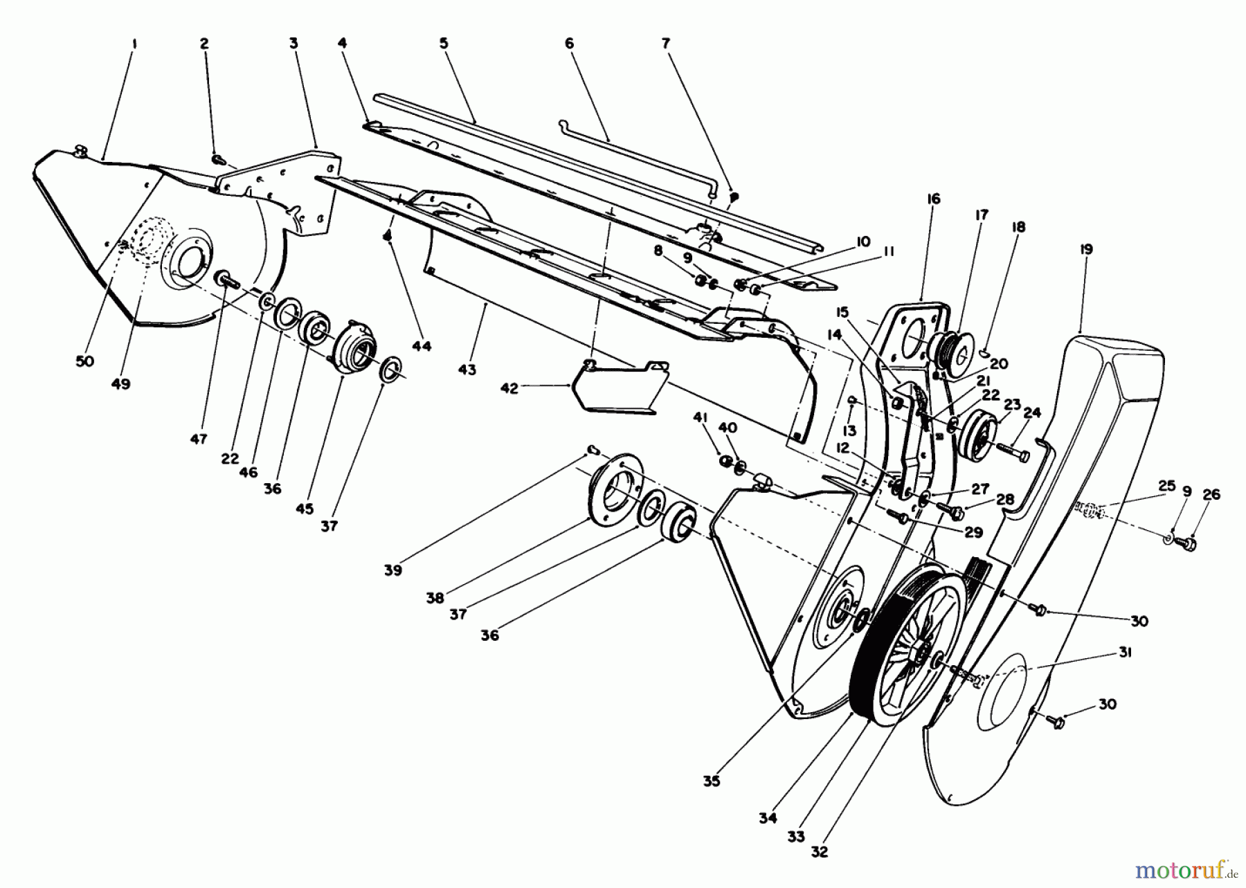
Toro 38116 (CR-20R) - CR-20 Snowthrower, 1988 (8000001-8999999) LOWER FRAME ASSEMBLY Ersatzteile
10-16 X 3/8 THDG SCREW
Artikel Nummer:
TR32104-77
BildNr:
7
6.66 €
für EU incl. MwSt., zzgl. Versand
Der Artikel wurde in den Einkaufswagen gelegt!
Wird für Sie bestellt: Lieferzeit ca. 5 Werktage.
Hier finden Sie die Ersatzteilzeichnung für Toro Neu Snow Blowers/Snow Throwers Seite 1 38116 (CR-20R) - Toro CR-20 Snowthrower, 1988 (8000001-8999999) LOWER FRAME ASSEMBLY. Wählen Sie das benötigte Ersatzteil aus der Ersatzteilliste Ihres Toro Gerätes aus und bestellen Sie einfach online. Viele Toro Ersatzteile halten wir ständig in unserem Lager für Sie bereit.


Qualitätsmanagement
Informieren Sie uns, wenn Sie einen Fehler gefunden haben.






