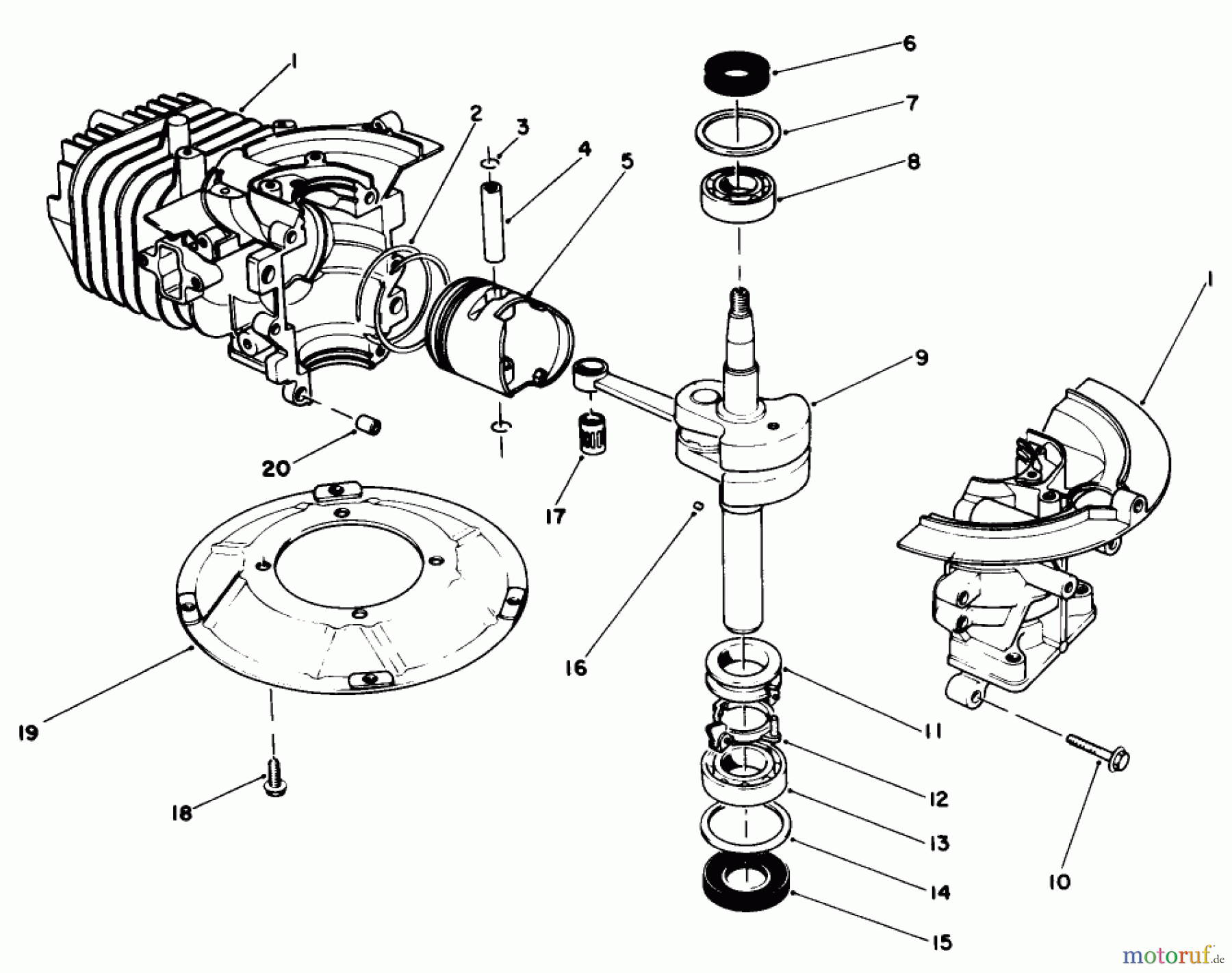
Toro 22025 - Lawnmower, 1988 (8000001-8999999) ENGINE ASSEMBLY MODEL NO. 47PH7 #1 Ersatzteile
Scheibe
Artikel Nummer:
TR81-0730
BildNr:
14
Nicht mehr lieferbar.

Hier finden Sie die Ersatzteilzeichnung für Toro Neu Mowers, Walk-Behind Seite 2 22025 - Toro Lawnmower, 1988 (8000001-8999999) ENGINE ASSEMBLY MODEL NO. 47PH7 #1. Wählen Sie das benötigte Ersatzteil aus der Ersatzteilliste Ihres Toro Gerätes aus und bestellen Sie einfach online. Viele Toro Ersatzteile halten wir ständig in unserem Lager für Sie bereit.



