Einkaufswagen
Mein Konto

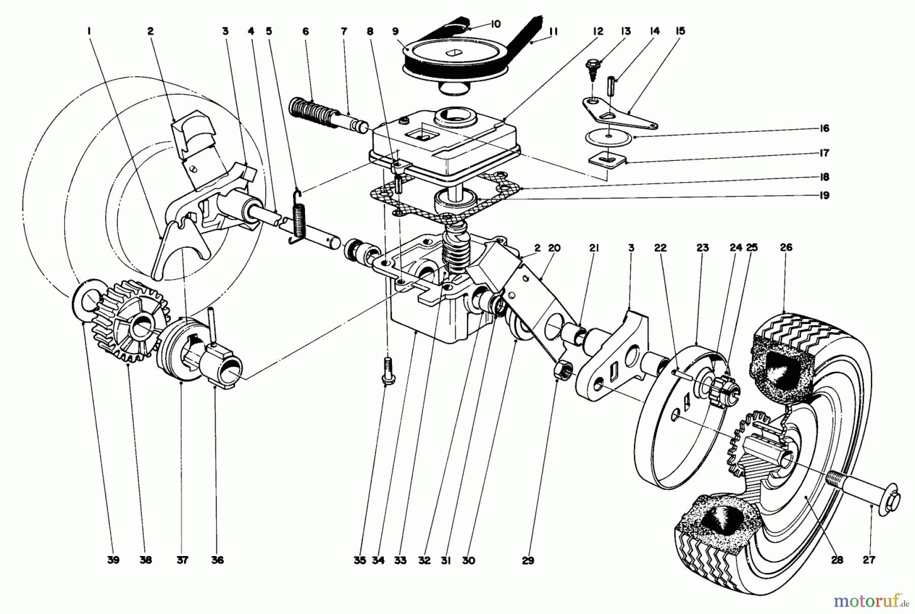
Toro 21173 - Guardian Lawnmower, 1973 (3000001-3999999) GEAR BOX ASSEMBLY MODEL NO. 21273 Ersatzteile

Dichtung

Artikel Nummer:
TR3-0734
BildNr:
18
17.78 €
für EU incl. MwSt., zzgl. Versand
Anzahl:
Kontaktdaten Produktsicherheit
Der Artikel wurde in den Einkaufswagen gelegt!
yellow Wird für Sie bestellt: Lieferzeit ca. 5 Werktage.
 Toro Neu Mowers, Walk-Behind Seite 2 21173 - Toro Guardian Lawnmower, 1973 (3000001-3999999) GEAR BOX ASSEMBLY MODEL NO. 21273

Hier finden Sie die Ersatzteilzeichnung für Toro Neu Mowers, Walk-Behind Seite 2 21173 - Toro Guardian Lawnmower, 1973 (3000001-3999999) GEAR BOX ASSEMBLY MODEL NO. 21273. Wählen Sie das benötigte Ersatzteil aus der Ersatzteilliste Ihres Toro Gerätes aus und bestellen Sie einfach online. Viele Toro Ersatzteile halten wir ständig in unserem Lager für Sie bereit.

Rasen
Bankeinzug, MasterCard, Visa, American Express, PayPal, Nachnahme, Vorauskasse, Sofortüberweisung
Qualitätsmanagement
Informieren Sie uns, wenn Sie einen Fehler gefunden haben.