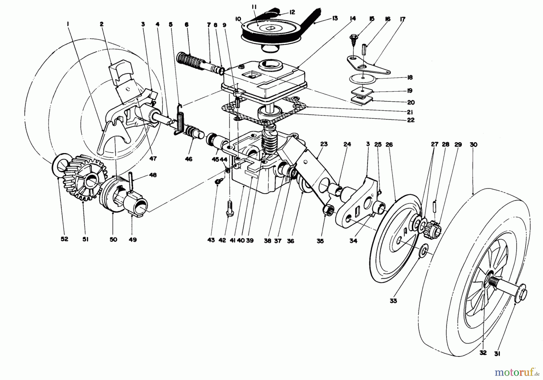
Toro 16785 - Lawnmower, 1988 (8000001-8007011) GEAR CASE ASSEMBIY Ersatzteile
Schmiernippel
Artikel Nummer:
TR302-56
BildNr:
25
8.32 €
für EU incl. MwSt., zzgl. Versand
Der Artikel wurde in den Einkaufswagen gelegt!
Wird für Sie bestellt: Lieferzeit ca. 5 Werktage.
Hier finden Sie die Ersatzteilzeichnung für Toro Neu Mowers, Walk-Behind Seite 1 16785 - Toro Lawnmower, 1988 (8000001-8007011) GEAR CASE ASSEMBIY. Wählen Sie das benötigte Ersatzteil aus der Ersatzteilliste Ihres Toro Gerätes aus und bestellen Sie einfach online. Viele Toro Ersatzteile halten wir ständig in unserem Lager für Sie bereit.








