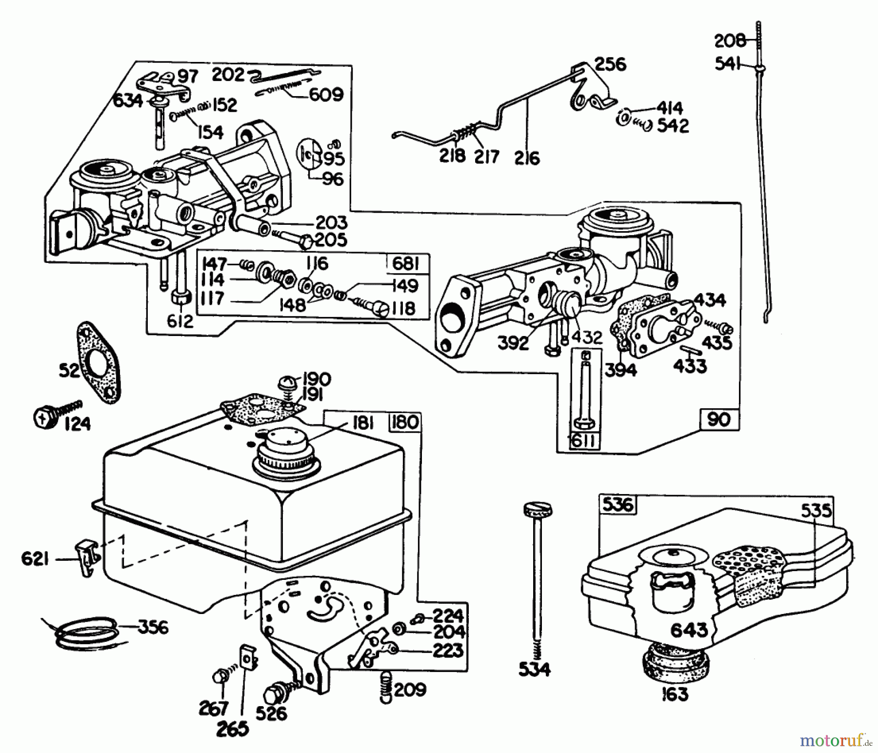
Toro 03108 - 58" Professional, 1981 (1000001-1999999) ENGINE BRIGGS & STRATTON MODEL NO. 130232 TYPE NO. 0497-01 #2 Ersatzteile
SCHRAUBE
Artikel Nummer:
BS93322
BildNr:
534
8.10 €
für EU incl. MwSt., zzgl. Versand
Der Artikel wurde in den Einkaufswagen gelegt!
Wird für Sie bestellt: Lieferzeit ca. 5 Werktage.
Hier finden Sie die Ersatzteilzeichnung für Toro Neu Mowers, Riding 03108 - Toro 58" Professional, 1981 (1000001-1999999) ENGINE BRIGGS & STRATTON MODEL NO. 130232 TYPE NO. 0497-01 #2. Wählen Sie das benötigte Ersatzteil aus der Ersatzteilliste Ihres Toro Gerätes aus und bestellen Sie einfach online. Viele Toro Ersatzteile halten wir ständig in unserem Lager für Sie bereit.


Qualitätsmanagement
Informieren Sie uns, wenn Sie einen Fehler gefunden haben.




