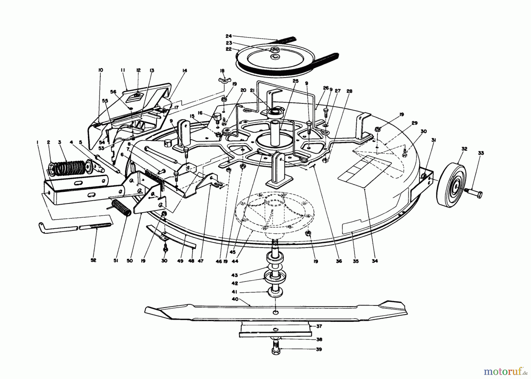
Toro 56190 (10-32) - 10-32 Recycler Rider, 1991 (1000001-1999999) MOWER ASSEMBLY-RECYCLER Ersatzteile
WASHER-BELLEVILLE
Artikel Nummer:
TR3290-465
BildNr:
38
6.45 €
für EU incl. MwSt., zzgl. Versand
Der Artikel wurde in den Einkaufswagen gelegt!
Wird für Sie bestellt: Lieferzeit ca. 5 Werktage.
Hier finden Sie die Ersatzteilzeichnung für Toro Neu Mowers, Rear-Engine Rider 56190 (10-32) - Toro 10-32 Recycler Rider, 1991 (1000001-1999999) MOWER ASSEMBLY-RECYCLER. Wählen Sie das benötigte Ersatzteil aus der Ersatzteilliste Ihres Toro Gerätes aus und bestellen Sie einfach online. Viele Toro Ersatzteile halten wir ständig in unserem Lager für Sie bereit.











