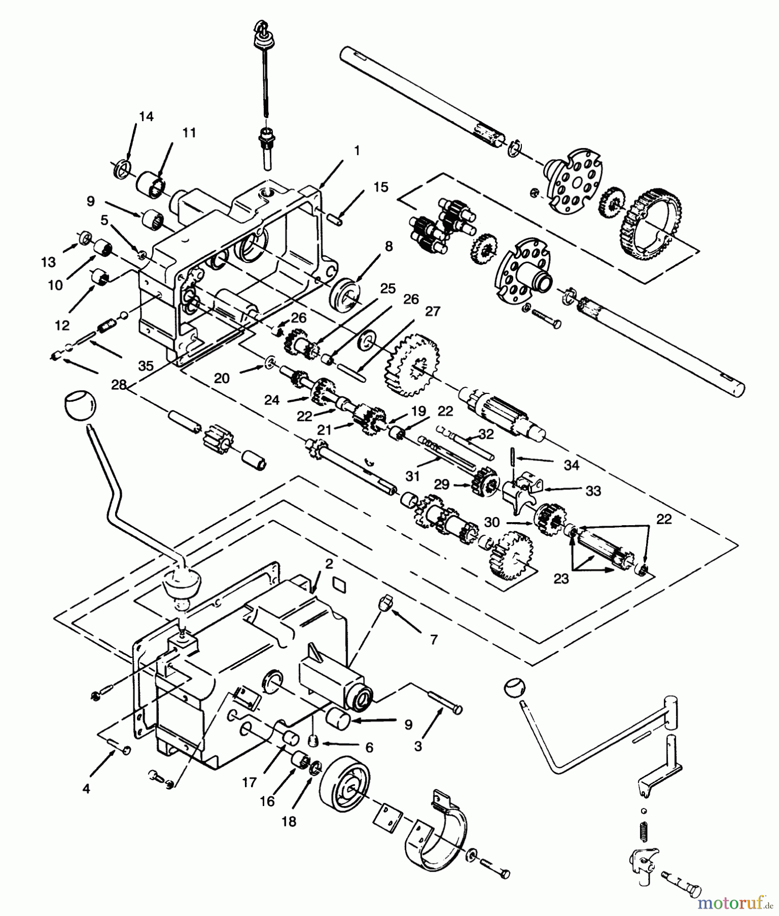
Toro 73380 (312-8) - 312-8 Garden Tractor, 1994 (4900001-4999999) TRANSMISSION 8-SPEED #1 Ersatzteile
TRANSMISSION ASM
Artikel Nummer:
TR94-6671
8849.36 €
für EU incl. MwSt., zzgl. Versand
Der Artikel wurde in den Einkaufswagen gelegt!
Wird für Sie bestellt: Lieferzeit ca. 5 Werktage.
Hier finden Sie die Ersatzteilzeichnung für Toro Neu Mowers, Lawn & Garden Tractor Seite 1 73380 (312-8) - Toro 312-8 Garden Tractor, 1994 (4900001-4999999) TRANSMISSION 8-SPEED #1. Wählen Sie das benötigte Ersatzteil aus der Ersatzteilliste Ihres Toro Gerätes aus und bestellen Sie einfach online. Viele Toro Ersatzteile halten wir ständig in unserem Lager für Sie bereit.



