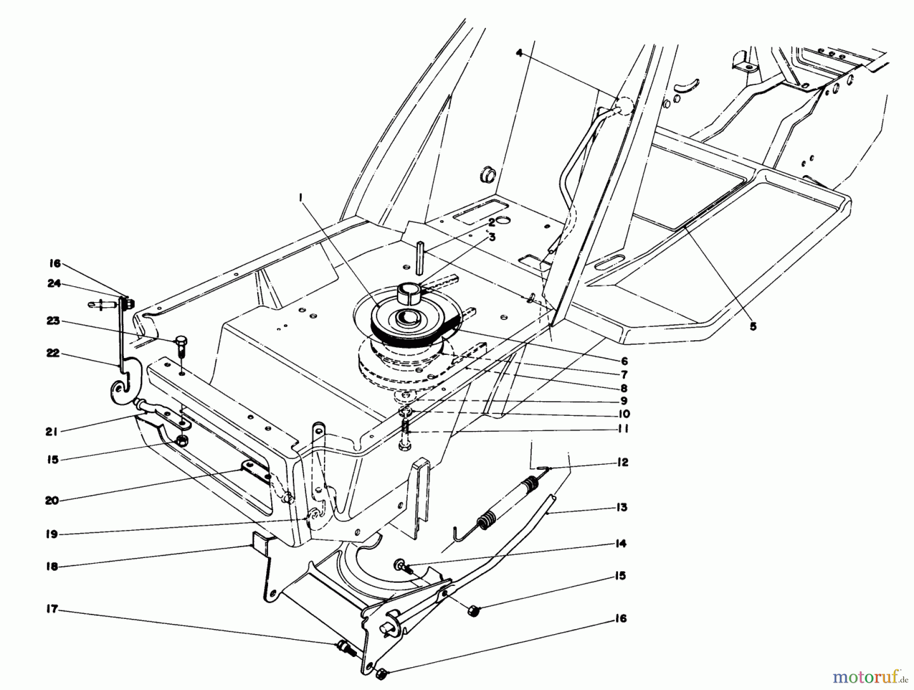
Toro 57375 - 8 hp Front Engine Rider, 1979 (9000001-9999999) CLUTCH & ACTUATOR ASSEMBLY Ersatzteile
DISCONTINUED
Artikel Nummer:
TR27-8910
BildNr:
3
Nicht mehr lieferbar.

Hier finden Sie die Ersatzteilzeichnung für Toro Neu Mowers, Lawn & Garden Tractor Seite 1 57375 - Toro 8 hp Front Engine Rider, 1979 (9000001-9999999) CLUTCH & ACTUATOR ASSEMBLY. Wählen Sie das benötigte Ersatzteil aus der Ersatzteilliste Ihres Toro Gerätes aus und bestellen Sie einfach online. Viele Toro Ersatzteile halten wir ständig in unserem Lager für Sie bereit.


Qualitätsmanagement
Informieren Sie uns, wenn Sie einen Fehler gefunden haben.

