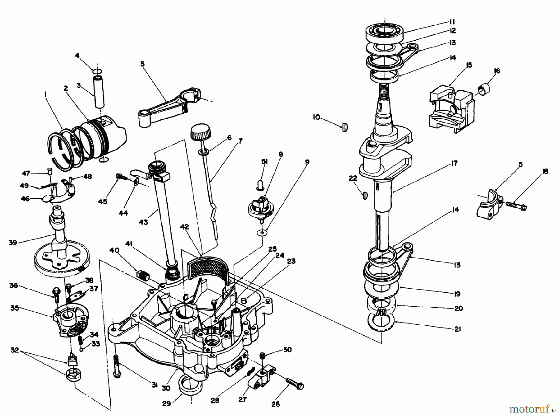
Toro 30170 - Mid-Size Proline Gear Traction Unit, 12.5 hp, 1991 (1000001-1999999) CRANKCASE ASSEMBLY Ersatzteile
KOLBENRING-SATZ
Artikel Nummer:
KA130086001
BildNr:
1
Nicht mehr lieferbar.

Hier finden Sie die Ersatzteilzeichnung für Toro Neu Mowers, Drive Unit Only 30170 - Toro Mid-Size Proline Gear Traction Unit, 12.5 hp, 1991 (1000001-1999999) CRANKCASE ASSEMBLY. Wählen Sie das benötigte Ersatzteil aus der Ersatzteilliste Ihres Toro Gerätes aus und bestellen Sie einfach online. Viele Toro Ersatzteile halten wir ständig in unserem Lager für Sie bereit.


Qualitätsmanagement
Informieren Sie uns, wenn Sie einen Fehler gefunden haben.



