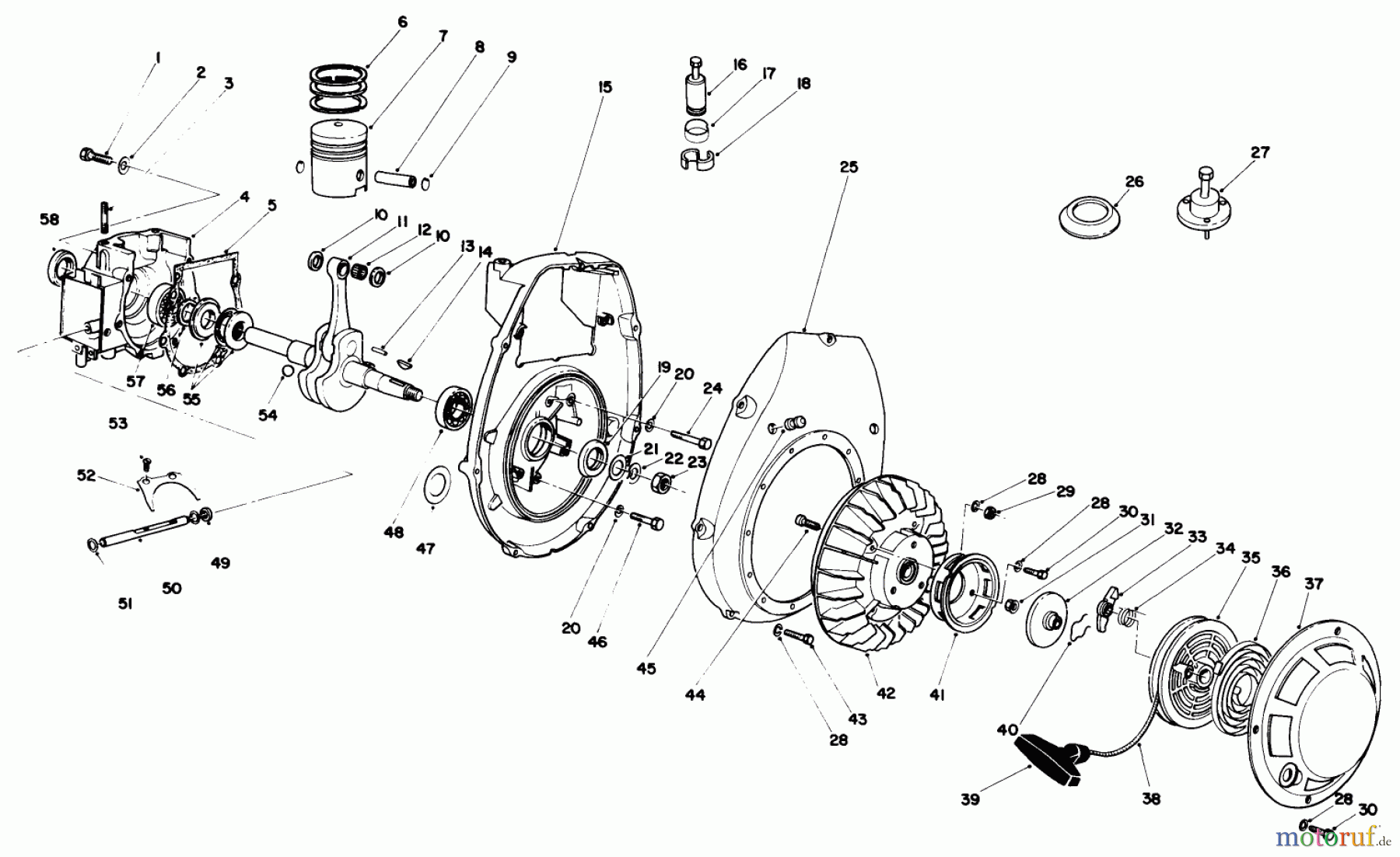
Toro 30113 - Mid-Size Proline Gear Traction Unit, 8 hp, 1987 (7000001-7999999) CRANKCASE & FLYWHEEL ASSEMBLY Ersatzteile
DISCONTINUED
Artikel Nummer:
TR55-5850
BildNr:
36
Nicht mehr lieferbar.

Hier finden Sie die Ersatzteilzeichnung für Toro Neu Mowers, Drive Unit Only 30113 - Toro Mid-Size Proline Gear Traction Unit, 8 hp, 1987 (7000001-7999999) CRANKCASE & FLYWHEEL ASSEMBLY. Wählen Sie das benötigte Ersatzteil aus der Ersatzteilliste Ihres Toro Gerätes aus und bestellen Sie einfach online. Viele Toro Ersatzteile halten wir ständig in unserem Lager für Sie bereit.



