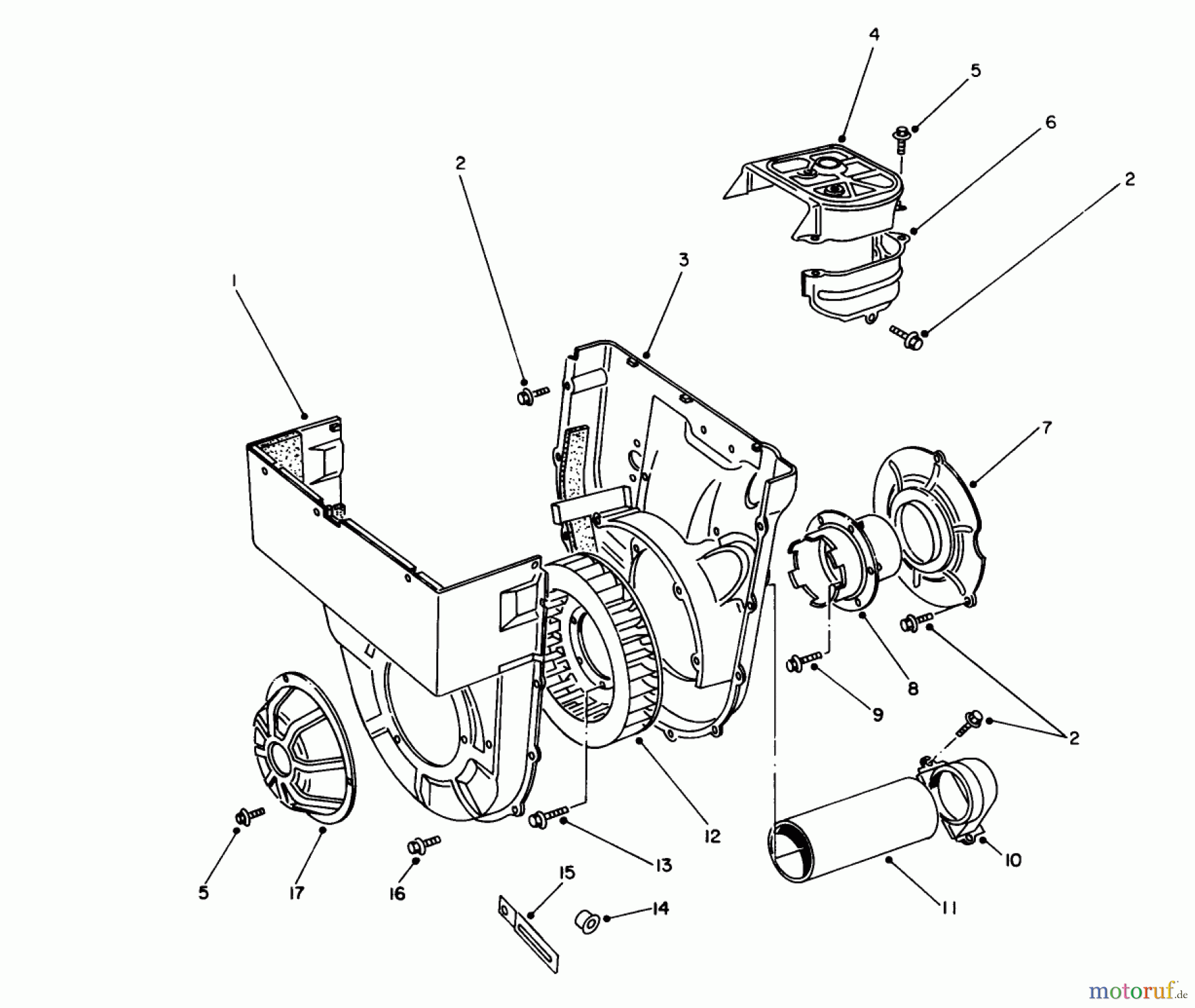
Toro 62040 (T4000D) - Generator, T4000D, 1988 (8000001-8999999) COOLING FAN ASSEMBLY Ersatzteile
DISCONTINUED
Artikel Nummer:
TR50-7800
BildNr:
17
334.88 €
für EU incl. MwSt., zzgl. Versand
Der Artikel wurde in den Einkaufswagen gelegt!
Wird für Sie bestellt: Lieferzeit ca. 5 Werktage.
Hier finden Sie die Ersatzteilzeichnung für Toro Neu Generators 62040 (T4000D) - Toro Generator, T4000D, 1988 (8000001-8999999) COOLING FAN ASSEMBLY. Wählen Sie das benötigte Ersatzteil aus der Ersatzteilliste Ihres Toro Gerätes aus und bestellen Sie einfach online. Viele Toro Ersatzteile halten wir ständig in unserem Lager für Sie bereit.




