Einstellungen Computer

Tanaka ECS-330 - Chainsaw Oil Filter & Pump Filter Ersatzteile

Kappe siehe TB

Artikel Nummer:
668-7956
BildNr:
28
2.29 €
für EU incl. MwSt., zzgl. Versand
Anzahl:
Kontaktdaten Produktsicherheit
Der Artikel wurde in den Einkaufswagen gelegt!
yellow Wird für Sie bestellt: Lieferzeit ca. 5 Werktage.
 Tanaka Motorsägen ECS-330 - Tanaka Chainsaw Oil Filter & Pump Filter

Hier finden Sie die Ersatzteilzeichnung für Tanaka Motorsägen ECS-330 - Tanaka Chainsaw Oil Filter & Pump Filter. Wählen Sie das benötigte Ersatzteil aus der Ersatzteilliste Ihres Tanaka Gerätes aus und bestellen Sie einfach online. Viele Tanaka Ersatzteile halten wir ständig in unserem Lager für Sie bereit.

Häufig benötigte Tanaka ECS-330 - Chainsaw Oil Filter & Pump Filter Ersatzteile

Gummileitung
Artikelnummer: 669-2292
Suche nach: 669-2292
Hersteller: Tanaka
Tanaka Ersatzteil Oil Filter & Pump Filter
7.70 €
für EU incl. MwSt., zzgl. Versand
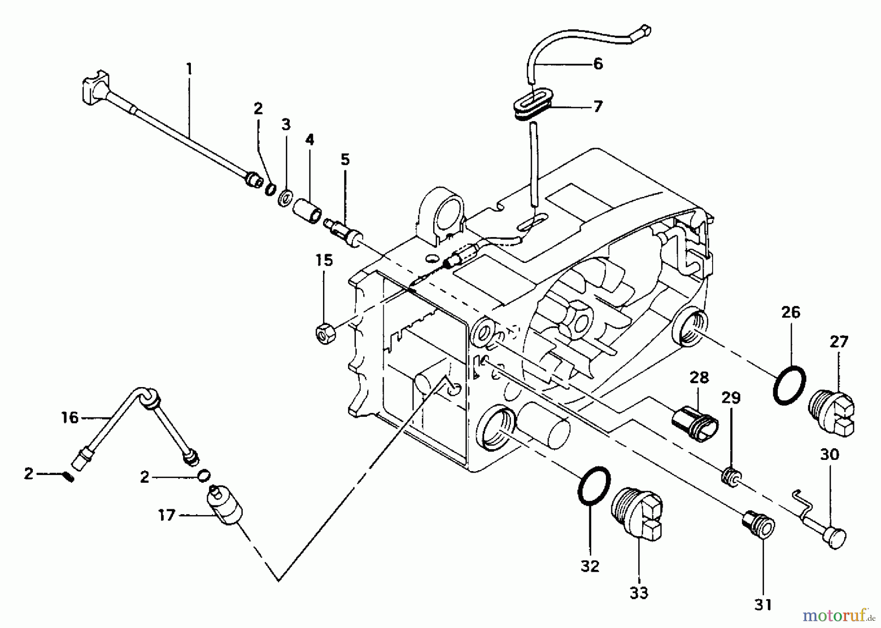
BildNrArtikel NummerBezeichnung
1 669-1121oelschlauch siehe TB
2 669-2312Clip siehe TB
3 668-4661Scheibe -P219450,P219451-,
4 669-0919oelfilter TPS200/2510, siehe
5 668-5248oelfiltergehaeuse TPS200/2510
6 88501710800
7 669-4836Fuehrung ECS3351,s.TB.
15 668-4872Mutter s.TB.
16 Tanaka Gummileitung669-2292Gummileitung
17 Tanaka Benzinfilter 675-04042-80668-4620Benzinfilter 675-04042-80
26 669-5672O-Ring siehe TB
27 669-1229oeltankdeckel .
28 668-7956Kappe siehe TB
29 669-2590Fuehrung siehe TB
30 669-2513Chokehebel siehe TB
31 668-7976Fuehrung siehe TB
32 669-5673O-Ring siehe TB
33 669-2081Tankdeckel .
Rasen
Bankeinzug, MasterCard, Visa, American Express, PayPal, Nachnahme, Vorauskasse, Sofortüberweisung
Datenschutzerklärung Impressum
Qualitätsmanagement
Informieren Sie uns, wenn Sie einen Fehler gefunden haben.