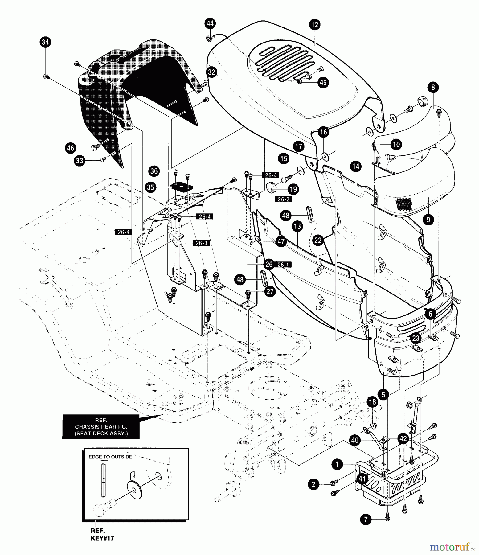
Murray 46562x8B - Scotts 46" Lawn Tractor (1997) (Home Depot) Front Chassis Assembly Ersatzteile
SCREW 1/4'' AB X.50
Artikel Nummer:
BS26X238MA
BildNr:
10
5.20 €
für EU incl. MwSt., zzgl. Versand
Der Artikel wurde in den Einkaufswagen gelegt!
Wird für Sie bestellt: Lieferzeit ca. 5 Werktage.
Hier finden Sie die Ersatzteilzeichnung für Murray Rasen- und Gartentraktoren 46562x8B - Scotts 46" Lawn Tractor (1997) (Home Depot) Front Chassis Assembly. Wählen Sie das benötigte Ersatzteil aus der Ersatzteilliste Ihres Murray Gerätes aus und bestellen Sie einfach online. Viele Murray Ersatzteile halten wir ständig in unserem Lager für Sie bereit.




