Murray 465621x89A - Yard King Performance 46" Lawn Tractor (2002) Mower Housing Suspension Ersatzteile
Artikel Nummer:
BS1001111E700MA
BildNr:
27
Nicht mehr lieferbar.

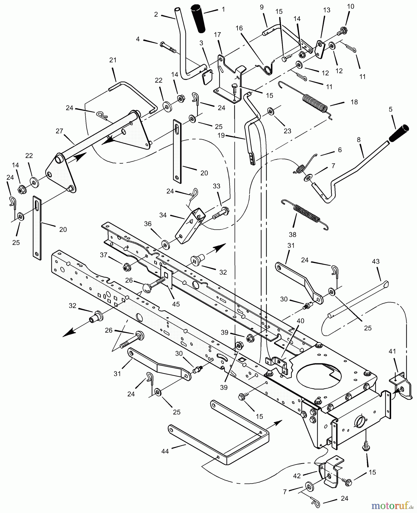
Hier finden Sie die Ersatzteilzeichnung für Murray Rasen- und Gartentraktoren 465621x89A - Yard King Performance 46" Lawn Tractor (2002) Mower Housing Suspension. Wählen Sie das benötigte Ersatzteil aus der Ersatzteilliste Ihres Murray Gerätes aus und bestellen Sie einfach online. Viele Murray Ersatzteile halten wir ständig in unserem Lager für Sie bereit.


Qualitätsmanagement
Informieren Sie uns, wenn Sie einen Fehler gefunden haben.

