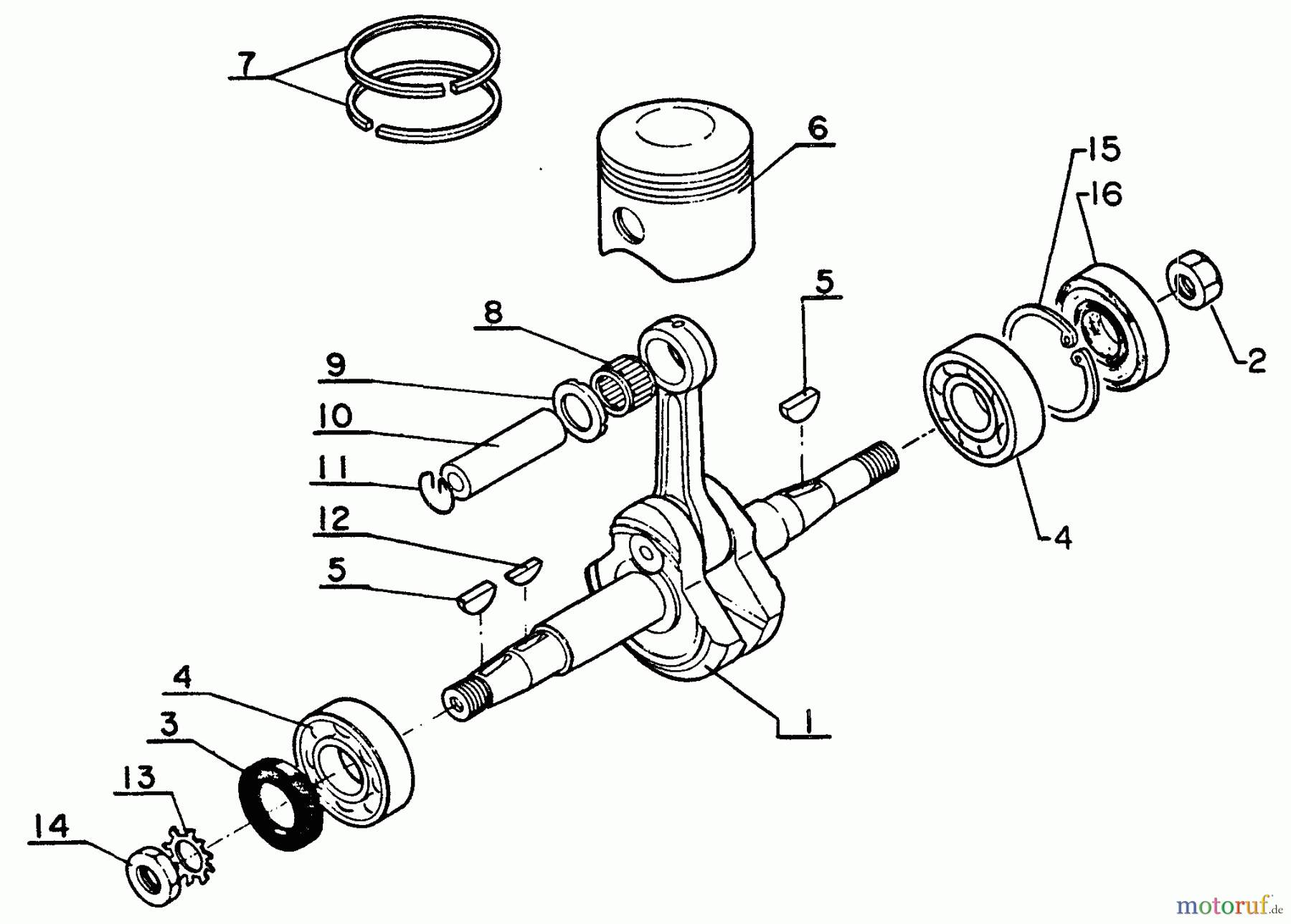
Echo CS-60S - Chainsaw, S/N: 0059501 - 999999 Crankshaft, Piston Ersatzteile
Artikel Nummer:
1610014300230
BildNr:
13
Nicht mehr lieferbar.

Hier finden Sie die Ersatzteilzeichnung für Echo Sägen, Kettensägen CS-60S - Echo Chainsaw, S/N: 0059501 - 999999 Crankshaft, Piston. Wählen Sie das benötigte Ersatzteil aus der Ersatzteilliste Ihres Echo Gerätes aus und bestellen Sie einfach online. Viele Echo Ersatzteile halten wir ständig in unserem Lager für Sie bereit.


Qualitätsmanagement
Informieren Sie uns, wenn Sie einen Fehler gefunden haben.

