Jonsered ST 2106 (96191002000) - Snow Thrower (2007-07) DRIVE Ersatzteile
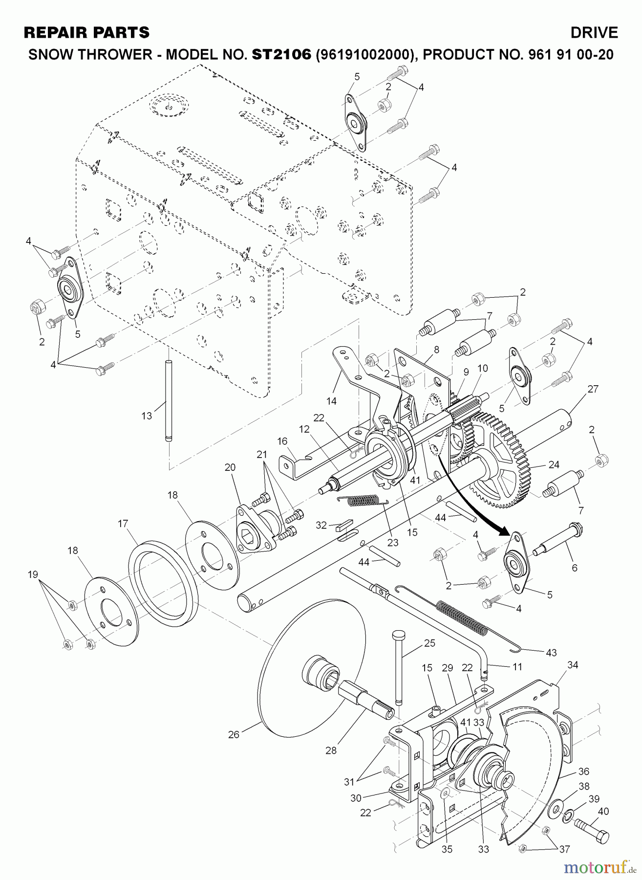
ZAHNRAD
Artikel Nummer:
532 18 00-81
BildNr:
24
218.40 €
für EU incl. MwSt., zzgl. Versand
Der Artikel wurde in den Einkaufswagen gelegt!
Wird für Sie bestellt: Lieferzeit ca. 5 Werktage.
Hier finden Sie die Ersatzteilzeichnung für Jonsered Schneefräsen ST 2106 (96191002000) - Jonsered Snow Thrower (2007-07) DRIVE. Wählen Sie das benötigte Ersatzteil aus der Ersatzteilliste Ihres Jonsered Gerätes aus und bestellen Sie einfach online. Viele Jonsered Ersatzteile halten wir ständig in unserem Lager für Sie bereit.


Qualitätsmanagement
Informieren Sie uns, wenn Sie einen Fehler gefunden haben.

