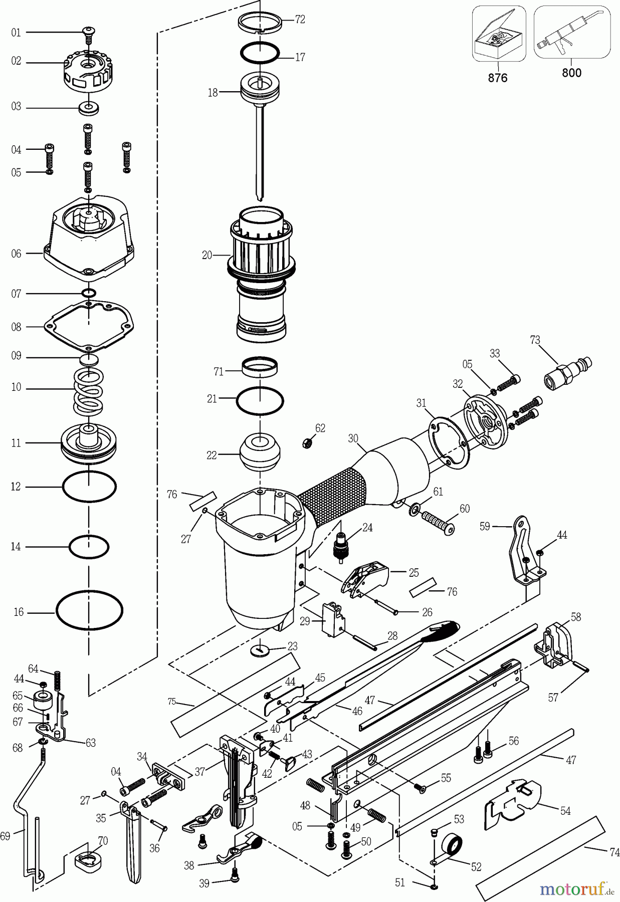
PORTER CABLE 53444 FN250SB Ersatzteile
FEDER
Artikel Nummer:
SB-P1645201262
BildNr:
66
Nicht mehr lieferbar.

Hier finden Sie die Ersatzteilzeichnung für PORTER CABLE Divers 53444 FN250SB Seite 1. Wählen Sie das benötigte Ersatzteil aus der Ersatzteilliste Ihres PORTER CABLE Gerätes aus und bestellen Sie einfach online. Viele PORTER CABLE Ersatzteile halten wir ständig in unserem Lager für Sie bereit.



