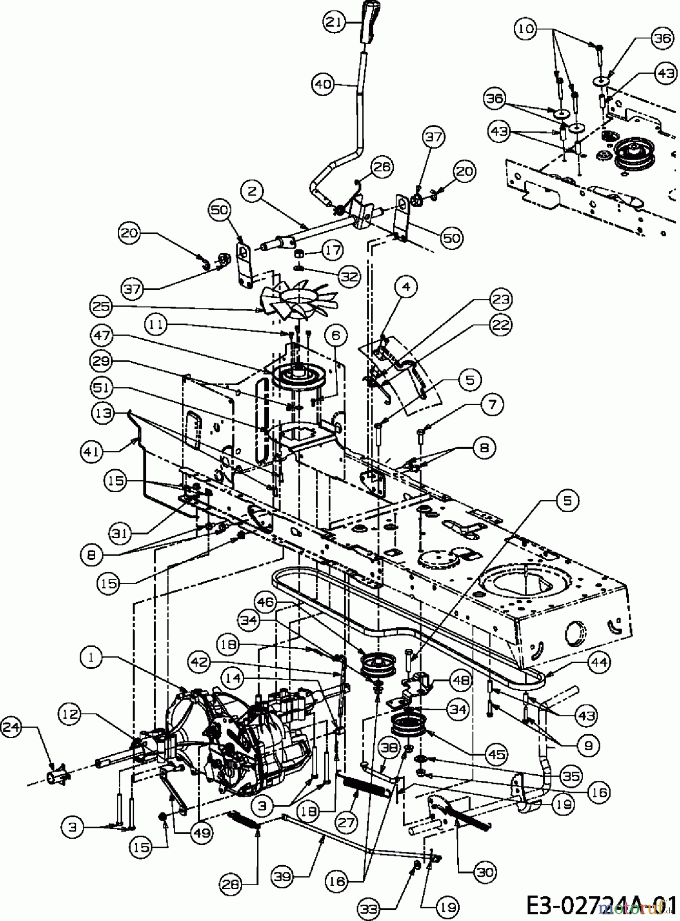
Efco Formula 108/15.5 H 13AM799G637 (2006) Fahrantrieb Ersatzteile
KEILRIEMEN V TYPE 4L SECx78.2"
Artikel Nummer:
754-04074A
BildNr:
44
DINNORM:
LT-5 HYDRO DRIVE
Bemerkung:
4L SEC x 78.2
Modell BJ:
Polo 108/15.5 H / 2006 Polo 108/17 H / 2006 200 KLA / 2006 Formula 108/15.5 H / 2006 JG 155 H / 2006
45.75 €
für EU incl. MwSt., zzgl. Versand
Der Artikel wurde in den Einkaufswagen gelegt!
sofort Lieferbar
Hier finden Sie die Ersatzteilzeichnung für Efco Rasentraktoren Formula 108/15.5 H 13AM799G637 (2006) Fahrantrieb. Wählen Sie das benötigte Ersatzteil aus der Ersatzteilliste Ihres Efco Gerätes aus und bestellen Sie einfach online. Viele Efco Ersatzteile halten wir ständig in unserem Lager für Sie bereit.


Qualitätsmanagement
Informieren Sie uns, wenn Sie einen Fehler gefunden haben.

























