Einkaufswagen
Mein Konto

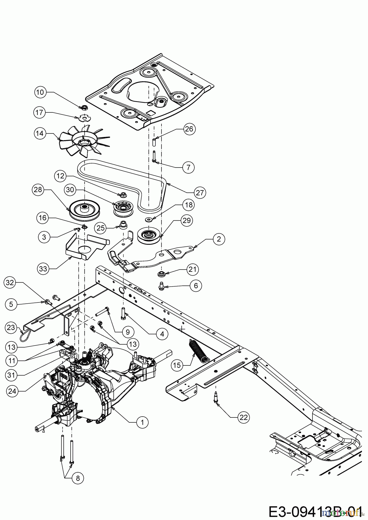
Cub Cadet LR2 NR76 13C221HD603 (2020) Fahrantrieb Ersatzteile

HALTER

Achtung: Dieser Artikel ist 2x im Gerät verbaut, der Preis gilt pro Stück!
Artikel Nummer:
783-08131637
BildNr:
31
Modell BJ:
Minirider 60 RDHE / 2019 Minirider 76 SDHE / 2019 Minirider 76 SDHE / 2020 Scooter Hydro / 2019 Scooter Hydro / 2020 Scooter Hydro / 2020 Scooter Pro Hydro / 2020 Minirider 60 RDHE / 2020 Mnirider 76 RDHE / 2020 Scooter Pro Hydro / 2019 Scooter Pro Hydr 
14.66 €
für EU incl. MwSt., zzgl. Versand
Anzahl:
Kontaktdaten Produktsicherheit
Der Artikel wurde in den Einkaufswagen gelegt!
yellow Wird für Sie bestellt: Lieferzeit ca. 5 bis 14 Werktage.
 Cub Cadet Rasentraktoren LR2 NR76 13C221HD603  (2020) Fahrantrieb

Hier finden Sie die Ersatzteilzeichnung für Cub Cadet Rasentraktoren LR2 NR76 13C221HD603 (2020) Fahrantrieb. Wählen Sie das benötigte Ersatzteil aus der Ersatzteilliste Ihres Cub Cadet Gerätes aus und bestellen Sie einfach online. Viele Cub Cadet Ersatzteile halten wir ständig in unserem Lager für Sie bereit.

Rasen
Bankeinzug, MasterCard, Visa, American Express, PayPal, Nachnahme, Vorauskasse, Sofortüberweisung
Qualitätsmanagement
Informieren Sie uns, wenn Sie einen Fehler gefunden haben.