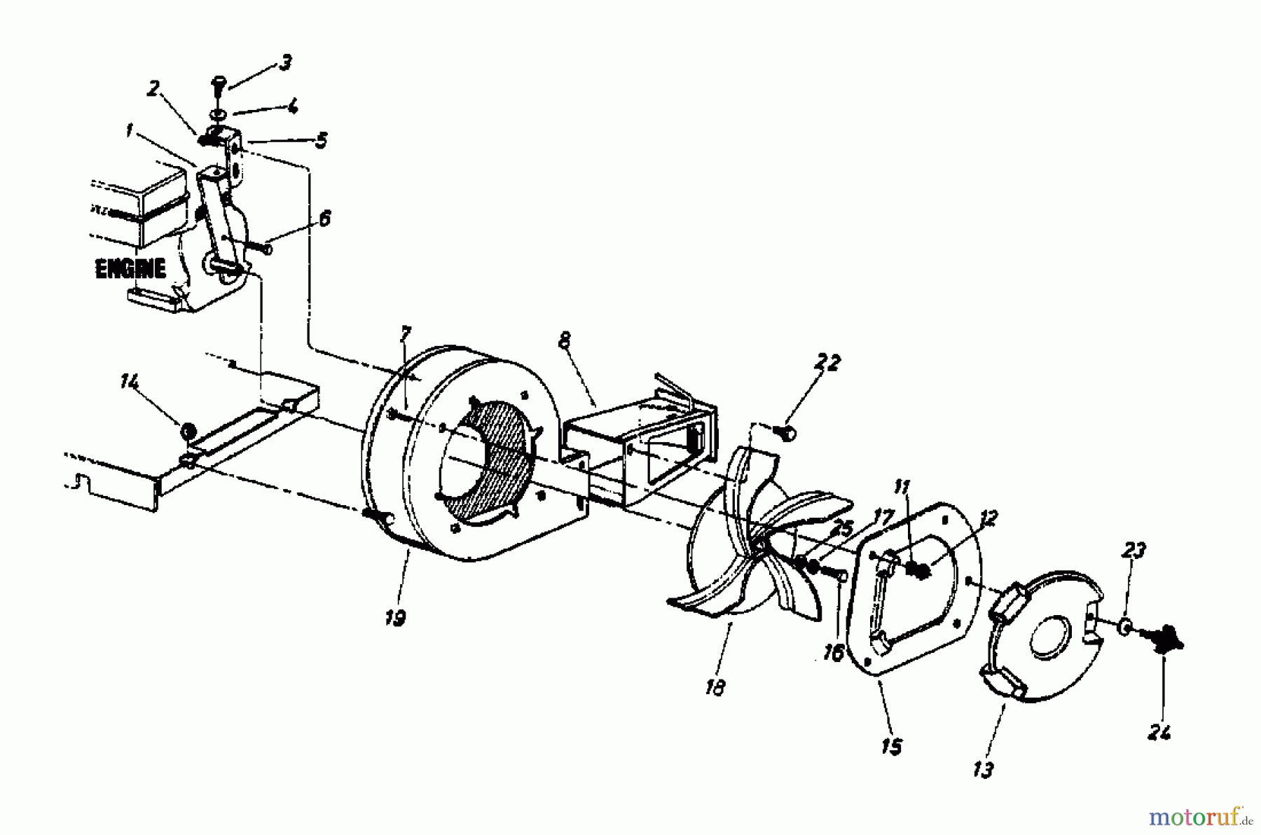
MTD 652 C 24A-652C678 (1999) Gebläsegehäuse, Starter, Zündspule Ersatzteile
BEFESTIGUNGSWINKEL
Artikel Nummer:
14541
BildNr:
5
DINNORM:
14541-0637
Modell BJ:
652 C / 1999
Nicht mehr lieferbar.

Hier finden Sie die Ersatzteilzeichnung für MTD Laubläser, Laubsauger 652 C 24A-652C678 (1999) Gebläsegehäuse, Starter, Zündspule. Wählen Sie das benötigte Ersatzteil aus der Ersatzteilliste Ihres MTD Gerätes aus und bestellen Sie einfach online. Viele MTD Ersatzteile halten wir ständig in unserem Lager für Sie bereit.









