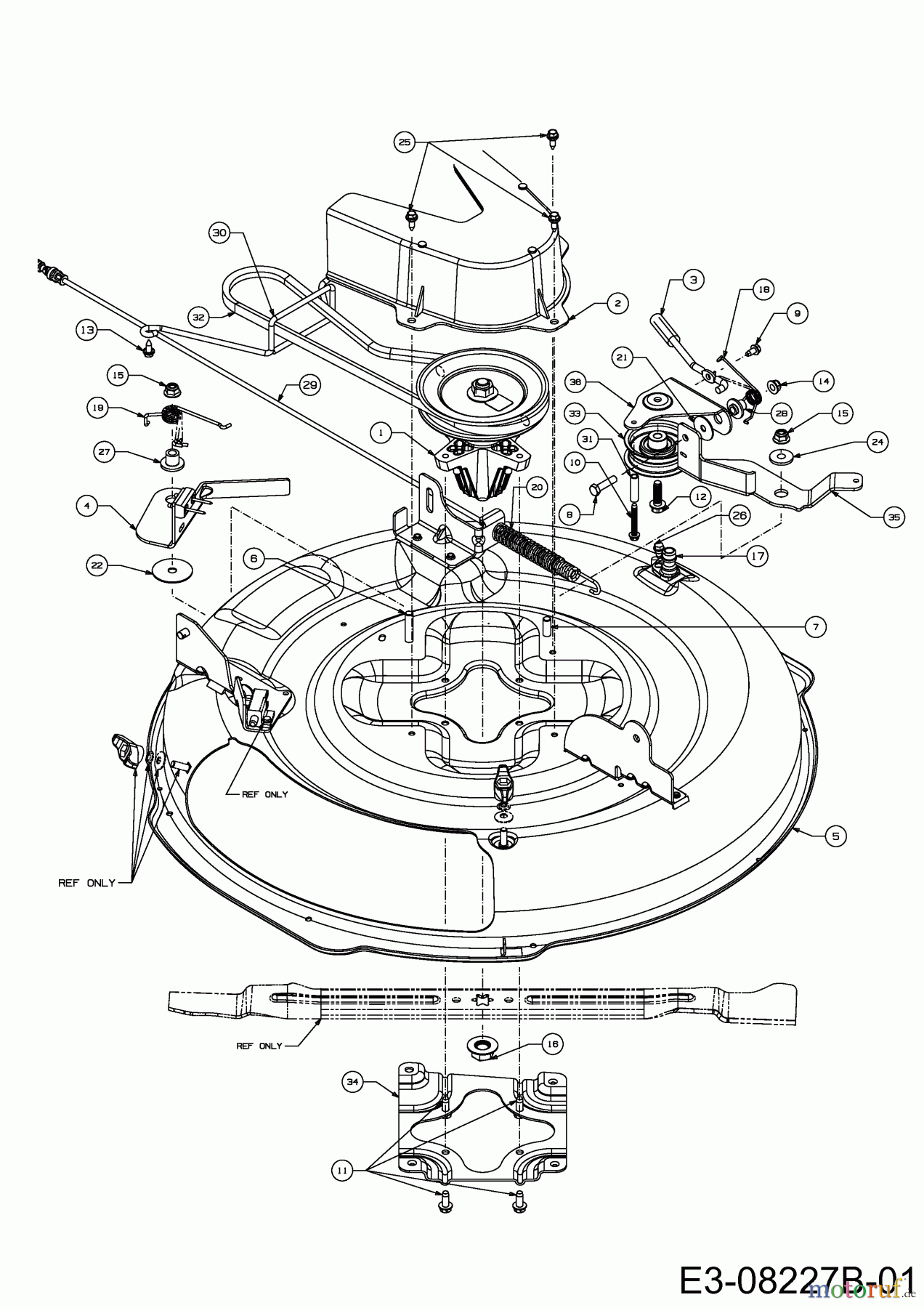
Cub Cadet CC 114 TD 13B226JD603 (2014) Mähwerk D (30"/76cm) Ersatzteile
SPANNHEBEL
Artikel Nummer:
647-05028
BildNr:
3
DINNORM:
647-05028
Modell BJ:
Expert Scooter Pro / 2014 CC 114 TA / 2014 CC 114 TD / 2014
34.74 €
für EU incl. MwSt., zzgl. Versand
Der Artikel wurde in den Einkaufswagen gelegt!
sofort Lieferbar
Hier finden Sie die Ersatzteilzeichnung für Cub Cadet Rasentraktoren CC 114 TD 13B226JD603 (2014) Mähwerk D (30"/76cm). Wählen Sie das benötigte Ersatzteil aus der Ersatzteilliste Ihres Cub Cadet Gerätes aus und bestellen Sie einfach online. Viele Cub Cadet Ersatzteile halten wir ständig in unserem Lager für Sie bereit.

































