Zurück zu
>
Benzinmotoren
>
Honda
>
GCV
>
GCV 135 N1S ( 2003 / 2098070- )
>
Zylinder (2098070-2003-1)
Ersatzteillisten für Wolf Benzinmotoren Zylinder (2098070-2003-1)
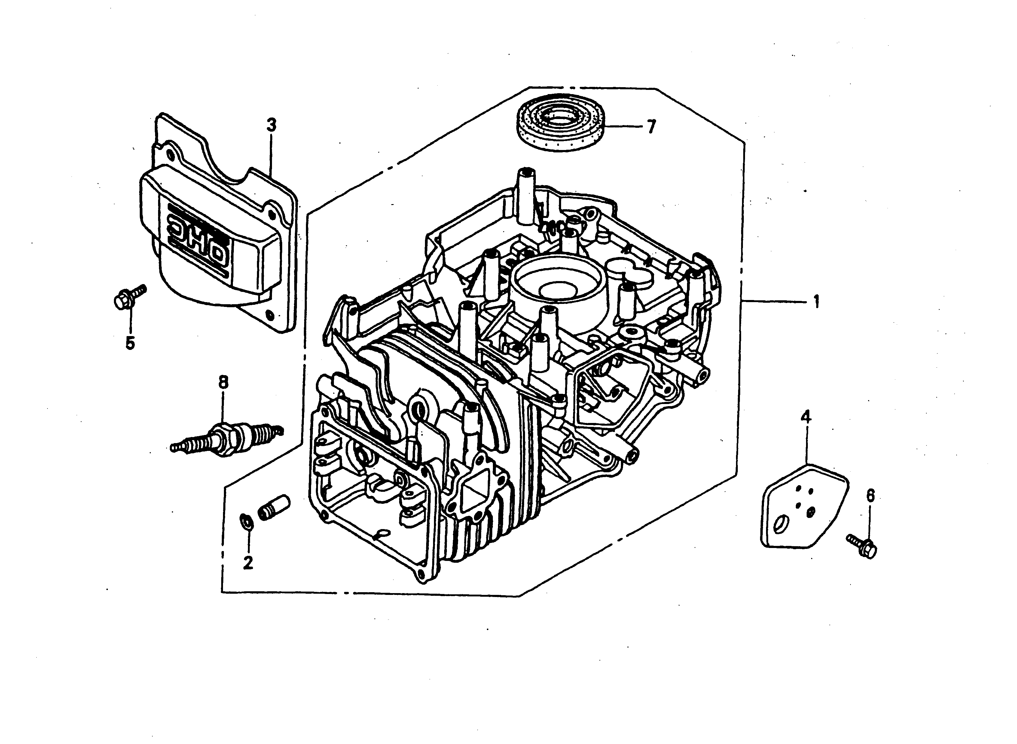
Pos.
Bezeichnung
Ersatzteilnummer
1
Luftschlauch
2098 301
2
Wellensicherung
2098 138
3
Zylinderkopfdeckel
2098 424
4
Deckel
2098 400
5
Schraube
2098 105
6
Schraube
2098 106
7
Simmering
2098 318
8
Zündkerze
2095 306
Gebrauchsanweisungen
Wolf
Handgeräte
Heckenscheren
Universalscheren
Handgrasscheren
Astscheren
Baumscheren
Baumpflege
Beleuchtungssysteme
Accuscheren
Häcksler
Sägen
Trimmer
Spindelmäher
Streuwagen / Portax
Schlauchwagen
Vertikutierer / Lüfter / Aerifizierer
Mäher
Aufsitzmäher
Benzinmotoren
Tecumseh
Briggs & Stratton
Honda
GCV
GCV 160 ( 1999 / 2098000- )
GCV 160 ( 2003 / 2098000- )
GCV 135 N1S ( 2003 / 2098070- )
Zylinder (2098070-2003-1)
Ölwanne (2098070-2003-2)
Kurbelwelle, Kolben (2098070-2003-3)
Ventile (2098070-2003-4)
Regelung (2098070-2003-5)
Vergaser (2098070-2003-6)
Polrad, Zündspule, Bremse (2098070-2003-7)
Kraftstoffbehälter (2098070-2003-8)
Luftfilter, Schalldämpfer (2098070-2003-9)
Starter (2098070-2003-10)
Motor Honda GCV 135 (4050000a-2006-7)
GCV 135 A2 ( 2004 / 2098000-135- )
GCV 160 ( 2004 / 2098000-160- )
GXV
Kawasaki
Zubehör
Impressum
(C) by motoruf