Zurück zu
>
Mäher
>
Benzin
>
Antrieb ab 43 cm
>
6er
>
6.51 BA ( 1996 / 6950580-A )
>
6.51 BA (6950580a-1996-4)
Ersatzteillisten für Wolf Mäher 6.51 BA (6950580a-1996-4)
Ersatzteilliste 1
Ersatzteilliste 2
Pos.
Bezeichnung
Ersatzteilnummer
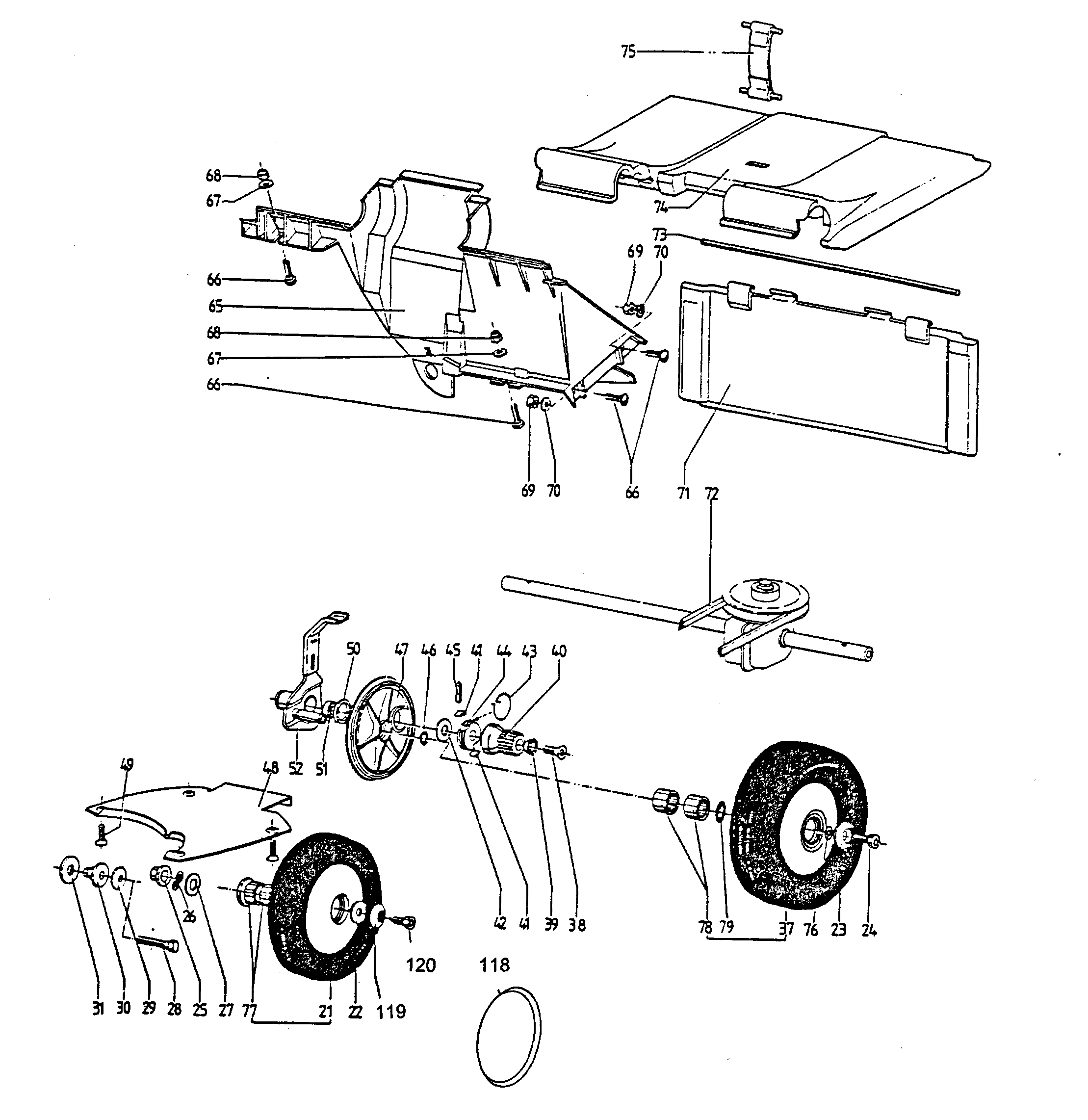
1
Chassis
6930 300
2
Stopfen
6950 301
3
Riemenführung
6950 503
4
Isolierring
6950 302
5
Klammer
6912 504
6
Riemenscheibe
6930 501
7
Scheibe
6920 302
8
Gewindestift
6912 502
9
Kupplungsbuchse
6925 400
10
Mitnehmer
6912 401
11
Mitnehmer
6925 500
12
Messer
6930 090
13
Scheibe
4289 413
14
Federring A 10 DIN 127
0017 911
15
6-kt.-Schraube
0010 258
16
Isolierstück
6930 301
17
Feder
6950 203
18
Schraube
4289 225
19
Scheibe A8,4 DIN 125-St
0017 123
20
Hebel
6930 302
21
Rad Ø 200 mm
6950 040
29
Scheibe
0017 291
32
Verstellhebel vorne links
6950 017
33
Scheibe
6905 502
34
Verstellhebel vorne rechts
6950 016
35
Scheibe B2
4151 209
36
6kt.-Mutter
0016 312
43
Rückholfeder
4277 506
44
Freilauf
4277 505
45
Spannstift 5x22 DIN 7344
0018 806
46
Clips
6912 507
50
Scheibe
6912 508
51
Kugellager
4253 109
53
Platte-Rast.
6912 509
54
Schraube
0013 654
55
Clips
6912 510
56
Gummischeibe
6912 511
57
Verstellhebel hinten rechts
6950 014
58
Schraube 4,2x16 DIN 7981
0015 686
59
Scheibe B 4,3 DIN 9021
0017 286
60
Mutter
4252 213
61
Griffunterteil
6930 100
62
Schraube M 8x40 DIN 7991
6930 101
63
Zentrierung
6930 102
64
Griffhalter
6930 103
73
Verbindungsstange
6930 307
74
Heckklappe
6930 308
92
WOLF-Garten-Marke
0051 146
117
Gummischürze
6950 100
Pos.
Bezeichnung
Ersatzteilnummer
22
Distanzring
1086 107
23
Scheibe
6905 501
24
Schraube M 6x12 DIN 7984
0011 130
25
Halter
4249 501
26
Scheibe
0017 831
27
Scheibe
6920 501
28
Schraube M 8x40 DIN 933
0010 391
30
Buchse
6950 502
31
Tellerfeder
0022 842
37
Antriebsrad
6930 051
38
Schraube
0011 444
39
Scheibe
6912 505
40
Rad-Zahn
4277 507
41
Mitnehmer
4277 504
42
Scheibe
0017 282
47
Raddeckel
6912 506
48
Abdeckung
6930 303
49
Schraube
6930 304
52
Verstellhebel hinten links
6950 015
65
Leitblech
6930 306
66
Flachrundschraube M 6x16
0013 640
67
Scheibe A 6,4
0017 289
68
Mutter
0016 311
69
Mutter M6 DIN 934
0016 256
70
Scheibe 6,4 DIN 6798
0017 897
71
Prallschutz
6930 305
72
Keilriemen
6950 509
75
Gurt
6930 309
76
Scheibe
0017 121
77
Kugellager
4249 509
78
Lager
6930 514
79
Dichtscheibe
4254 214
118
Deckel
6966 506
119
Scheibe
6966110
120
Schraube
6966111
Gebrauchsanweisungen
Wolf
Handgeräte
Heckenscheren
Universalscheren
Handgrasscheren
Astscheren
Baumscheren
Baumpflege
Beleuchtungssysteme
Accuscheren
Häcksler
Sägen
Trimmer
Spindelmäher
Streuwagen / Portax
Schlauchwagen
Vertikutierer / Lüfter / Aerifizierer
Mäher
Accu
Benzin
Schiebe bis 42 cm
Schiebe ab 43 cm
Antrieb bis 42 cm
Antrieb ab 43 cm
2er
4er
6er
6.51 BA ( 1996 / 6950580-A )
Datenblatt (6950580a-1996-1)
Griffoberteil/ Messerstop (6950580a-1996-2)
Griffteile (6950580a-1996-3)
6.51 BA (6950580a-1996-4)
6.51 BA (Getriebe) (6950580a-1996-5)
XE, XTE, XTL 35/40/45/50-I/C-ES ( 1996 / 2069050- )
XE, XTE 35/40-50/55 ( 1996 / XEXTE_35-55- )
6.46 BA ( 1996 / 6966580-A )
6.46 BAM ( 1996 / 6948580-A )
6.51 BA ( 2000 / 6950580-A )
Moto-Verte
Concept
Premio
Power Edition
Esprit
Sonstige
Elektrostart / Touch&Mow
Elektro
Aufsitzmäher
Benzinmotoren
Zubehör
Impressum
(C) by motoruf