Zurück zu
>
Roth / TORO
>
Handgeräte
>
Schneefräsen
>
einstufig
>
CR 1000
>
603/38195
>
69000001
>
oberer Abdeckung (Fortsetzung)
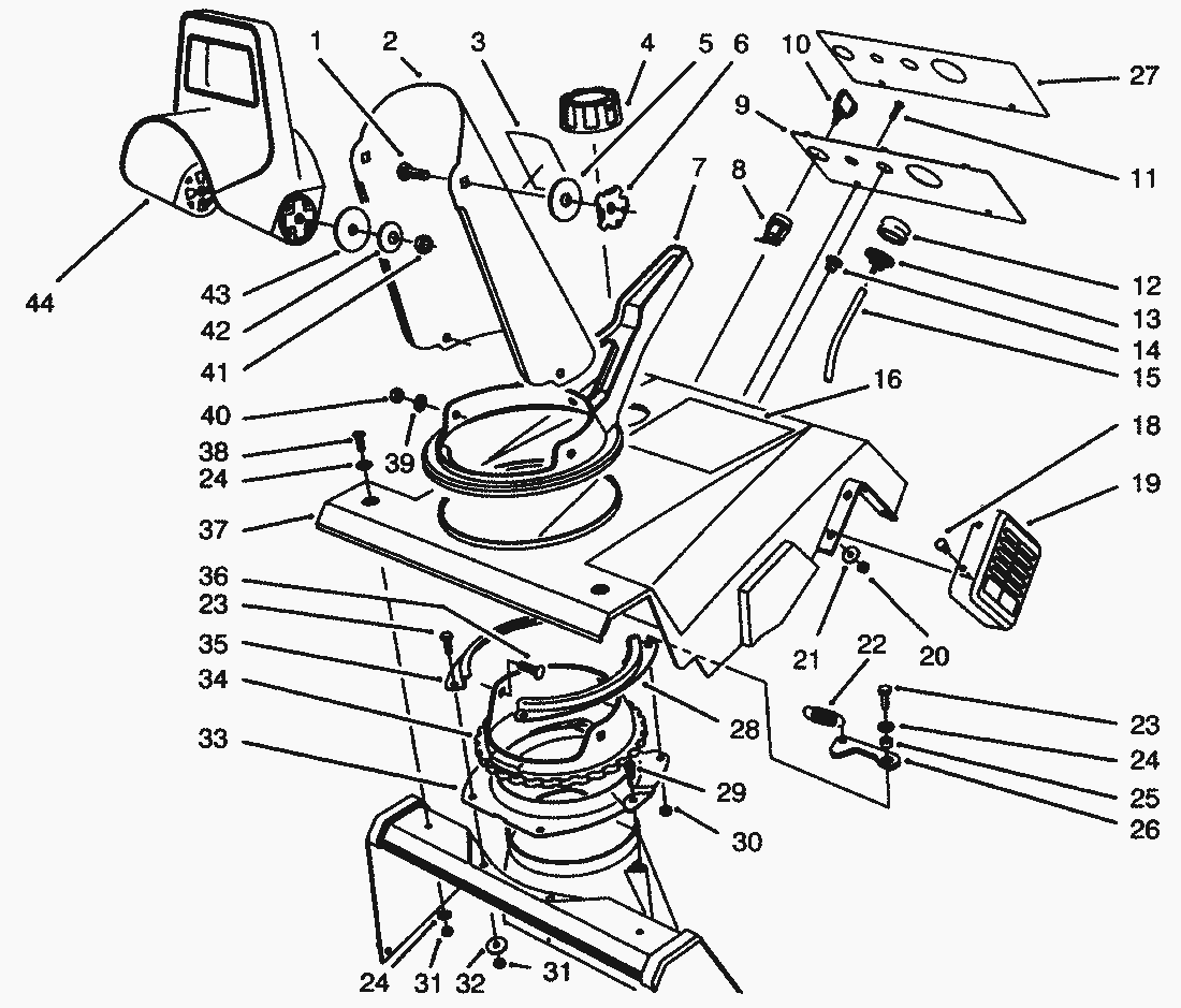
Ersatzteillisten für Toro Roth / TORO oberer Abdeckung (Fortsetzung)
Pos.
Bezeichnung
Ersatzteilnummer
28
Retainer-Chute Ring L.H.
71-4980
29
Schraube
46-8092
30
STOPMUTTER
3296-56
31
MUTTER
3296-42
32
scheibe
3256-22
33
Support-Chute Ring
55-8921
34
Drehkranz
71-4950
35
Retainer-Chute Ring R.H.
71-4990
36
Schraube
3230-16
37
Haube
80-4811
38
Screw-Phillips
3250-32
39
Scheibe
3256-70
40
Mutter
32149-1
41
MUTTER
3296-29
42
Tellerscheibe
3290-456
43
Scheibe
3256-68
44
Leitblech
56-2680
Gebrauchsanweisungen
Toro
Roth / TORO
Aufsitzmäher
Handgeräte
Kehrmaschinen
Schneefräsen
Zubehör
zweistufig
einstufig
Snow Commander
CCR 3650 GTS
CCR 3000
CCR 2450
CCR 2400
CCR 2000
CR 1000
603/38196
603/38195
69000001
Starter Nr. 590735
Starter Nr. 590652
Motor Tecumseh Modell-Nr. HSK600-1681S
Vergaser Nr. 632641
Holm
Motor & Rahmen Modell 38190 (Starter)
Rotorgehäuse
Rotor
oberer Abdeckung (Fortsetzung)
oberer Abdeckung
59000001
49000001
39000001
2000001
1000001
0000001
603/38191
CR 20
CR 20 R
S 620
S 200
CCR Powerlite
Sauger/Bläser
Rasenmäher
Robin
Impressum
(C) by motoruf