Zurück zu
>
Robin
>
Motorsensen
>
NB223A
>
Vergaser
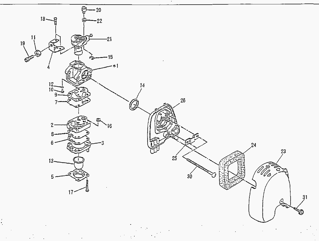
Ersatzteillisten für Toro Robin Vergaser
Pos.
Bezeichnung
Ersatzteilnummer
1
VERGASER
5256022000
2
PUMPENGEHAEUSE
5236046130
3
ZWISCHENSTUECK
5236046060
4
BOWDENZUGKLEMME
5236052020
5
ABDECKUNG F. PUMPE
5236046050
6
MEMBRANE
5316005250
7
MEMBRANE
5246001040
8
DICHTUNG
5236046040
9
PUMPENDICHTUNG
5246001030
10
DUESE
5236029010
11
MUTTER
5316005450
12
O-RING
5246001010
13
PRIMERKAPPE
5246001150
14
DICHTRING
5236018020
15
SPRENGRING
5316005120
16
SIEB
5016004010
17
SCHRAUBE
5236046010
18
SCHRAUBE
5246001240
19
SCHRAUBE
5216008010
20
NIPPEL
5236018040
21
VENTIL
5256022020
22
SCHEIBE
5426005030
23
FILTERDECKEL
5313502001
24
FILTEREINSATZ
5233504700
25
KLEMMBUEGEL
5013502400
26
FILTERPLATTE
5313010001-2
30
*** keine Bezeichnung vorhanden
0043105600
31
SCHRAUBE
0140059480
Gebrauchsanweisungen
Toro
Roth / TORO
Robin
Motorsensen
BH2500AU
NB26
NB26_91
NB31
NB31_91
NB31AU
NB40
NB211A
NB211A_91
NB221A
NB223A
Führungstange
Schutzschild
Motorbedienungshebel
Motor
Vergaser
Zubehör
NB251AU
NB253AU
NB321AU
NB411
NB411AU
NB2001A
NB2001AU
NBF171
NBF251
NBF252
NBT415
Saug- / Blasgeräte
Impressum
(C) by motoruf