Zurück zu
>
Roth / TORO
>
Handgeräte
>
Schneefräsen
>
zweistufig
>
824 PowerShift
>
628/38546
>
99000001
>
Vergaser Tecumseh
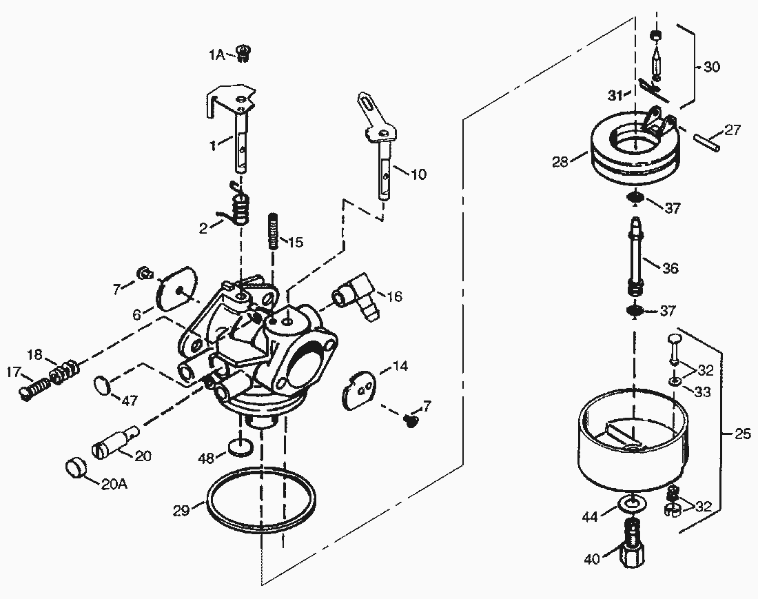
Ersatzteillisten für Toro Roth / TORO Vergaser Tecumseh
Pos.
Bezeichnung
Ersatzteilnummer
Float Bowl Asm.
632594A
Drain Plunger Assembly (Incl. Ref.
27136A
Pos.
Bezeichnung
Ersatzteilnummer
1
Shaft/Lever-Throttle Asm.
633777
1
Buechse
36288
2
Schenkelfeder
631970
6
Drosselklappe
640109
7
Schraube
650506
10
Shaft/Lever-Choke Asm.
632778
14
Starterklappe
631753
15
Druckfeder
630735
16
Fuel Fitting
632527
17
Schraube s
651025
18
Feder
630766
20
Duese
640027
20
Duesenkappe s
640053
27
Haltestift
631024
28
Schwimmer
632019
29
Dichtring
631028
30
Schwimmerventil
631021
31
Klemmfeder
631022
33
Dichtung
27554
36
Duesenstock
640013
37
O-Ring s
632547
40
Schraube
640170
44
Dichtung
27110
47
Plug, Welch
630748
48
Stopfen
631027
Gebrauchsanweisungen
Toro
Roth / TORO
Aufsitzmäher
Handgeräte
Kehrmaschinen
Schneefräsen
Zubehör
zweistufig
1332 PowerShift
1232 PowerShift
1132 PowerShift
1132
1028 PowerShift
924 PowerShift
828 PowerShift
824 PowerShift
628/38546
99000001
120V Elektrostarter Nr. 33329D (wahlw.)
Starter Tecumseh
Starter
Motor Tecumseh (Modell
Motor Tecumseh (Modell
Vergaser Tecumseh
Antrieb
Holm
Antrieb Gestänge
Getriebe Nr. 66-8030 (Fortsetzung)
Getriebe Nr. 66-8030
Motor
Getriebegehäuse Nr. 74-1560
Gehäuse und Auswurf (Fortsetzung)
Gehäuse & Auswurf
628/38543
628/38540
824 XL
824
724
624 PowerShift
622
521
3521
einstufig
Sauger/Bläser
Rasenmäher
Robin
Impressum
(C) by motoruf