Zurück zu
>
Roth / TORO
>
Handgeräte
>
Rasenmäher
>
2-Takt
>
286/20910
>
0000001
>
Vergaser (Motor Nr. 47PK9)
Ersatzteillisten für Toro Roth / TORO Vergaser (Motor Nr. 47PK9)
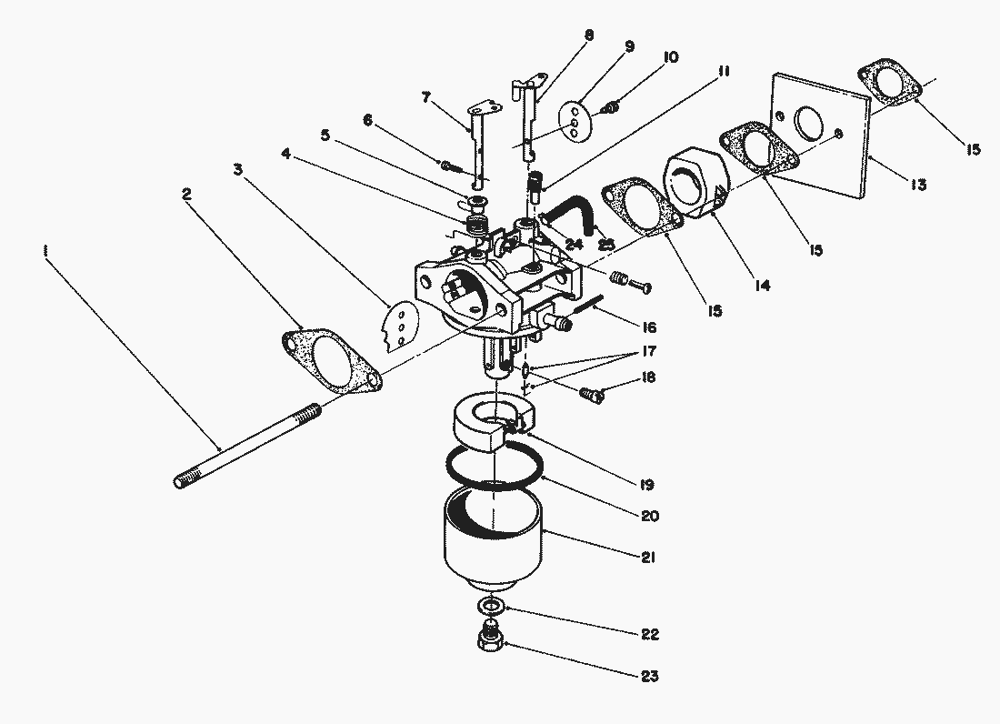
Pos.
Bezeichnung
Ersatzteilnummer
1
STEHBOLZEN
81-5450
2
DICHTUNG
81-0090
3
81-0240
4
FEDER
81-0230
5
BUECHSE
81-0220
6
SCHRAUBE
81-2160
7
CHOKEWELLE
81-1950
8
DROSSELWELLE
81-0250
9
DROSSELKLAPPE
81-0260
10
SCHRAUBE
81-0270
11
DUESE(40)
81-1030
13
SCHILD
81-5490
14
ISOLIERSTUECK
81-5440
15
DICHTUNG
81-0780
16
STIFT
81-5600
17
SCHWIMMERNADEL
81-4910
18
Hauptduese
81-1060
DUESE
81-2340
19
SCHWIMMER
81-0970
20
DICHTUNG
81-1010
21
SCHWIMMERGEHAEUSE
81-5660
22
Gasket-Float Bowl Drain
81-5720
23
SCHRAUBE
81-5670
24
KLAMMER
81-5460
25
SCHLAUCH
81-5470
VERGASER-REP.-SATZ
12-6379
Carburetor Assy. Complete
81-5430
Gebrauchsanweisungen
Toro
Roth / TORO
Aufsitzmäher
Handgeräte
Kehrmaschinen
Schneefräsen
Sauger/Bläser
Rasenmäher
Grasfangvorrichtungen
4-Takt Radantrieb
4-Takt
2-Takt Radantrieb
2-Takt
286/20911 B
286/20910
0000001
Auspuff (Motor Nr. 47PK9)
Starter (Motor Nr. 47PK9)
Vergaser (Motor Nr. 47PK9)
Regler (Motor Nr. 47PK9)
Schwungrad & Zündspule (Motor Nr. 47PK9)
Kurbelwelle (Motor Nr. 47PK9)
Fangkorb
Holm (handgeschoben)
Hinterachse (geschoben)
Motor
Gehäuse (Fortsetzung)
Gehäuse
276
233
223
Elektro
Akku
Robin
Impressum
(C) by motoruf