Zurück zu
motoruf
Warenkorb

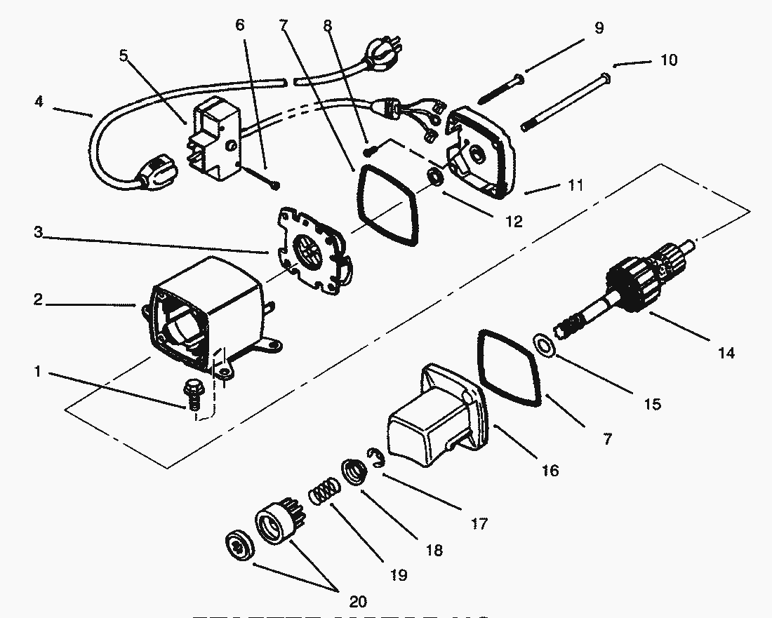
Ersatzteillisten für Toro Roth / TORO StarterMotor Nr. 33290




Pos.BezeichnungErsatzteilnummer
Cap Assy., Commutator end (Incl. Ref.35453
Ersatzteilliste


Pos.BezeichnungErsatzteilnummer
1Screw, Hex Washer Hd.650759
2Housing Asm34559A
3Card Assembly-Brush35452A
4Cord, Electric (UL & CSA Approved) (10 6) 10 9 2_675012 1 38080 Cord, Electric (UL & CSA Approved) (10 6)32450B
5Schalter35454
6Schraube650819
7Dichtung35450
8Screw-Ground33441
9Screw, Grounding35456
10Bolt-Case35462
12Washer, Thrust590500
14Armature35912
15Washer-Thrust35911
16Abdeckung35461
17Sicherungsring31749
18Retainer-Spring33522
19Druckfeder33769
20Nut & Gear33534
Electric Starter Kit (Optional)33290D
Gebrauchsanweisungen
Toro
Impressum
(C) by motoruf