Zurück zu
>
Roth / TORO
>
Handgeräte
>
Schneefräsen
>
zweistufig
>
824 PowerShift
>
628/38540
>
1000001
>
Motor
Ersatzteillisten für Toro Roth / TORO Motor
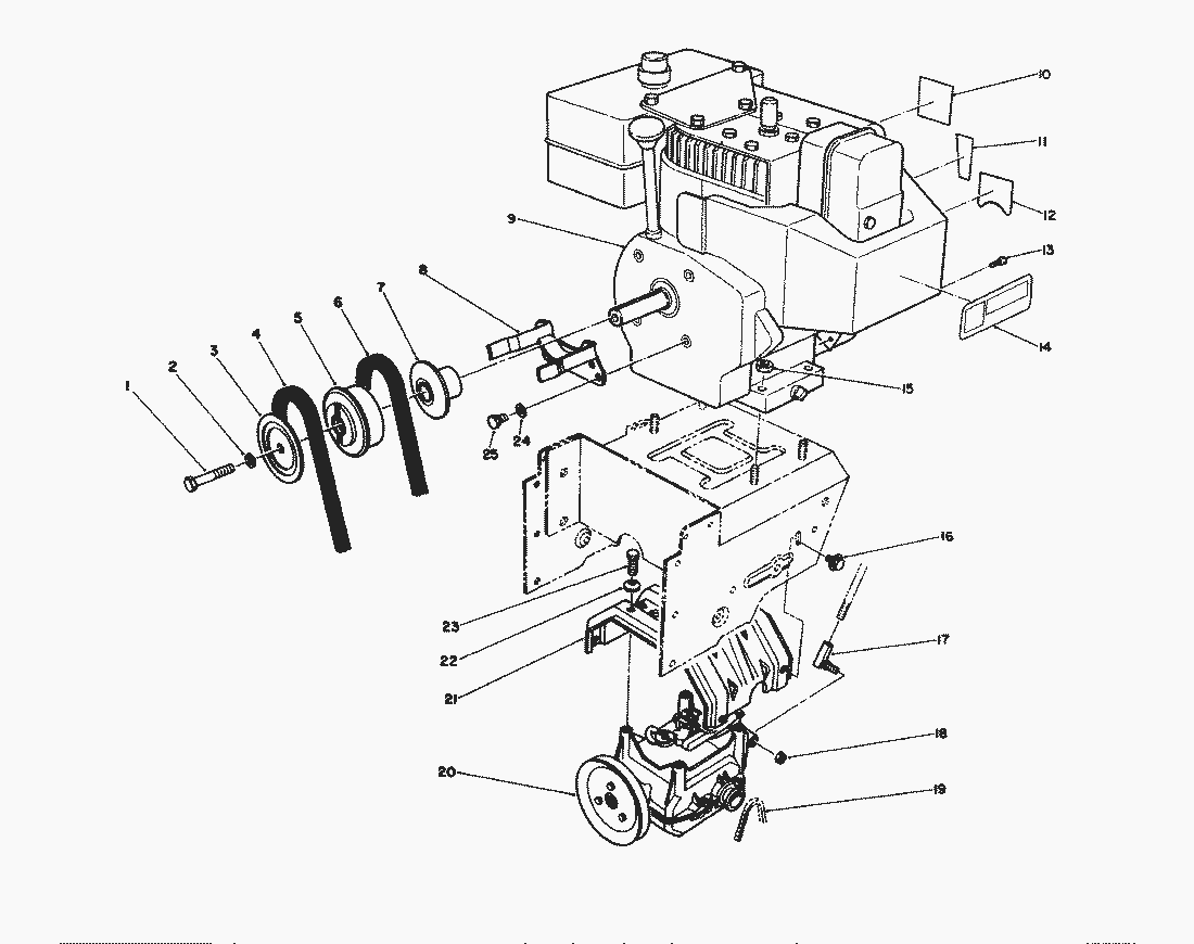
Pos.
Bezeichnung
Ersatzteilnummer
1
Schraube
3212-8
2
Federring
3253-6
3
Sheave Half-Impeller
63-0940
4
Keilriemen
63-2961
5
Tragarm
63-0930
6
Keilriemen
63-2951
7
Buechse
63-0920
8
Guide-Belt
68-7510
9
10
Klebeschild
62-5760
11
Klebeschild
63-3190
12
Klebeschild
63-2400
Klebeschild
63-2410
13
Schraube
32144-4
14
Decal-Hot Surface (Model No. 38510 Only)
66-6840
Klebeschild
63-2310
15
Mutter
32128-20
16
Schraube
3234-7
17
Kugelgelenk
63-2640
18
Mutter
3296-39
19
Kette
63-2940
20
Getriebe F.Schneefraese
66-8030
21
Frame-Transmission
63-2990
22
Washer-Belleville
3290-461
23
Schraube
11-0590
24
Federring
3253-4
25
Schraube
3210-1
Gebrauchsanweisungen
Toro
Roth / TORO
Aufsitzmäher
Handgeräte
Kehrmaschinen
Schneefräsen
Zubehör
zweistufig
1332 PowerShift
1232 PowerShift
1132 PowerShift
1132
1028 PowerShift
924 PowerShift
828 PowerShift
824 PowerShift
628/38546
628/38543
628/38540
9000001
8900001
8000001
7900001
6900001
5900001
4900001
3900001
2000001
1000001
Rücklaufstarter Tecumseh Nr. 590630
Motor Tecumseh (Modell-Nr. HM80-1 55337P) (Fortsetzung)
Motor Tecumseh (Modell-Nr. HM80-155337P)
Vergaser Tecumseh Nr. 632334A
Elektrostarter Nr. 37-4810 (wahlw.)
Differential Bausatz Modell-Nr. 38038 (wahlw.)
Wetterschutz Nr. 68-9500 (wahlw.)
Beleuchtungssatz Nr. 66-7930 (wahlw.)
Seiten-Schneidschiene (wahlw.)
Holm
Antrieb Gestänge
Antrieb
Getriebe Nr. 66-8030 (Fortsetzung)
Motor
Getriebe Nr. 66-8030
Getriebegehäuse Nr. 66-8020
Gehäuse & Auswurf (Fortsetzung)
Gehäuse & Auswurf
0000001
824 XL
824
724
624 PowerShift
622
521
3521
einstufig
Sauger/Bläser
Rasenmäher
Robin
Impressum
(C) by motoruf