Zurück zu
>
Roth / TORO
>
Aufsitzmäher
>
Rider
>
8-25
>
372/70060
>
6900001
>
Motor
Ersatzteillisten für Toro Roth / TORO Motor
Pos.
Bezeichnung
Ersatzteilnummer
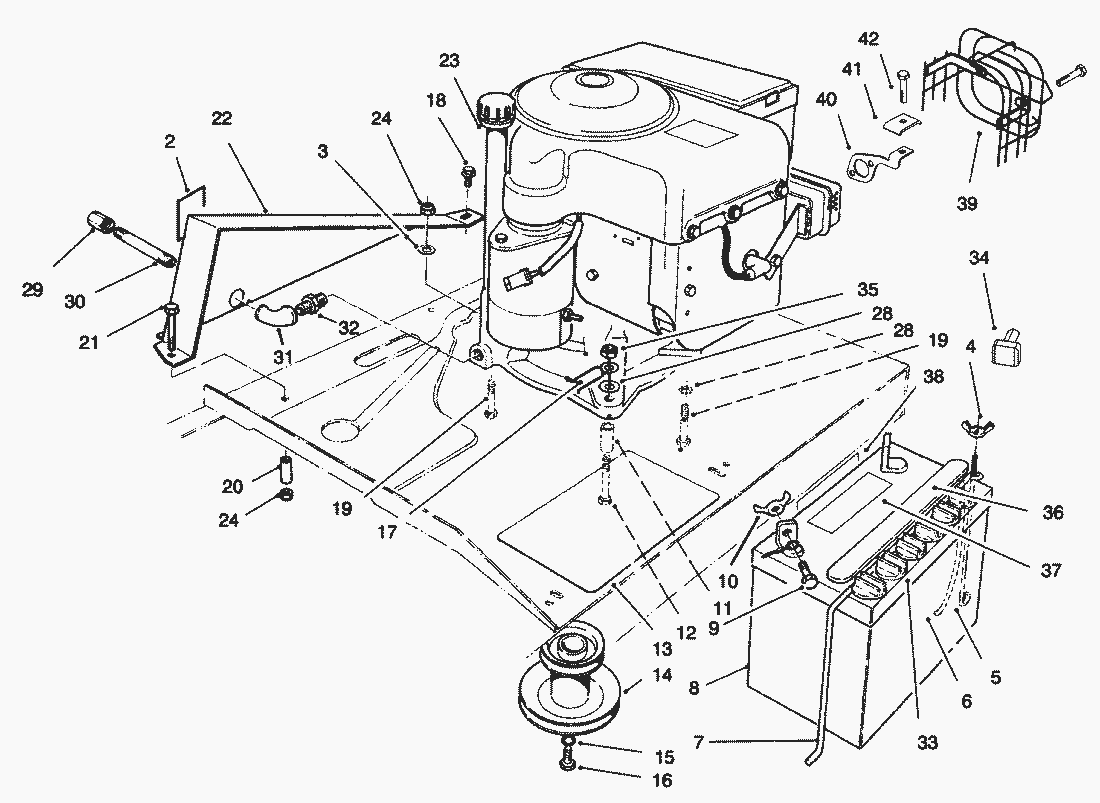
Muffler Guard Assembly (Incl. Ref.
94-6427
Pos.
Bezeichnung
Ersatzteilnummer
2
Klebeschild
114621
3
Scheibe
3256-23
4
Nut-Wing
32103-12
5
Batteriehalterung
56-7720
6
Schlauch
56-2540
7
Haltebuegel
56-7710
8
Battery-7 Plate
80-2600
9
Schraube
321-4
10
Fluegelmutter
32103-22
11
Distanzbuechse
80-4560
12
Schraube
322-12
13
Fussauflage
62-4300
14
Pulley-Engine
83-4840
15
Scheibe
3256-25
16
Schraube
62-3760
17
Assembly-Wire Battery to Ground
54-3091
18
Schraube
32144-14
19
Schraube
322-7
20
Riemenfuehrung
67-0920
21
Schraube
322-10
22
Kettenschutz
67-0962-01
23
24
MUTTER
3296-29
28
Federring
3255-8
29
Hutmutter
288-2
30
Verlaengerung
289-34
31
Rohrwinkel
2811-17
32
Buechse
2812-1
33
Batteriestopfen
218-560
34
Gummikappe
28-8080
35
Mutter
32153-3
36
Decal-Battery
93-9354
37
Klebeschild
93-7276
38
Klebeschild
93-6668
39
Auspuffschutzgitter
94-6426
40
Halter F. Schutzgitter
94-6425
41
Halter F.Schutzgitter
94-6424
42
Schraube
32104-76
Reducer-Throttle
88-4490
Gebrauchsanweisungen
Toro
Roth / TORO
Aufsitzmäher
Traktor
Rider
HMR 1600
12-32 E
12-32
11-32
10-32 E
8-25
372/70122
372/70060
89000001
79000001
59000001
49000001
39000001
6900001
Getriebe (Peerlesss Modell 700-025)
B&S Modell NO 195707-0121-01
Motor B&S (Modell-Nr. 195707-0121-01)
Starter (B&S Nr. 195707-0121-01)
Differential
Schneideinheit
Hinterachse
Elektro-Schaltplan
Motor
Getriebe & Gestänge (Fortsetzung)
Getriebe & Gestänge
Heckteil
Vorderachse
Sitz & Kraftstofftank
Rahmen
Vorderteil
110-4E
110-4
Mähwerke
Zubehör
Handgeräte
Robin
Impressum
(C) by motoruf