Zurück zu
>
Roth / TORO
>
Handgeräte
>
Schneefräsen
>
zweistufig
>
521
>
622/38054
>
4900001
>
Motor
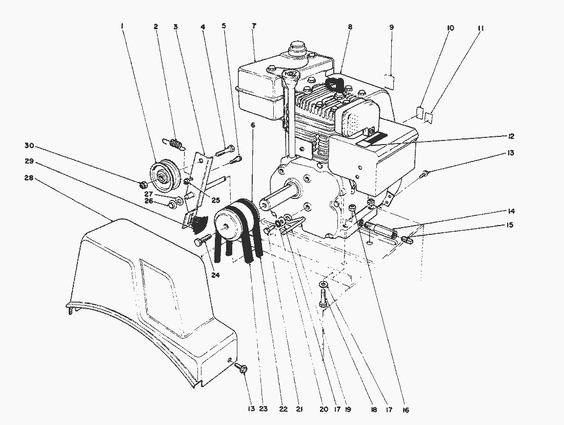
Ersatzteillisten für Toro Roth / TORO Motor
Pos.
Bezeichnung
Ersatzteilnummer
1
Riemenscheibe
3-4244
2
Feder
53-7570
3
Kupplungsarm
14-7959
4
Schraube
323-29
5
Bolzen
42-3560
6
Riemenscheibe
43-7370
8
9
Klebeschild
62-5760
10
Decal-Throttle
63-2450
11
Decal-Choke
39-3850
Klebeschild
63-2410
12
Decal-Hot Surface (Model No. 38510 Only)
66-6840
Klebeschild
63-2310
13
Schraube
32144-4
14
Drain Tube
49-3040
15
Gewindestuetzen
281-7
16
MUTTER
3296-29
17
Scheibe
3256-23
18
Schraube
322-7
19
Belt Retainer
37-8990
20
Federring
3255-8
21
Schraube
3210-3
22
Keilriemen
37-9090
23
Keilriemen
37-9080
24
Schraube
43-7290
25
STOPMUTTER
3296-56
26
Sicherungskappe
3290-320
27
Scheibe
3256-24
28
Belt Cover
37-6900
29
Bremsbelag
66-8060
30
Mutter
3296-59
Gebrauchsanweisungen
Toro
Roth / TORO
Aufsitzmäher
Handgeräte
Kehrmaschinen
Schneefräsen
Zubehör
zweistufig
1332 PowerShift
1232 PowerShift
1132 PowerShift
1132
1028 PowerShift
924 PowerShift
828 PowerShift
824 PowerShift
824 XL
824
724
624 PowerShift
622
521
622/38054
6900001
5900001
4900001
Vergaser Nr. 632107A
Rücklaufstarter Nr. 590646
Motor Tecumseh (Modell HSSK50-67259M) (Fortsetzung)
Motor Tecumseh (Modell HSSK50-67259M)
Holm (Fortsetzung)
Motor
Holm
Antrieb (Fortsetzung)
Antrieb
Trommel (Fortsetzung)
Trommel
3900001
2000001
1000001
0000001
622/38035
3521
einstufig
Sauger/Bläser
Rasenmäher
Robin
Impressum
(C) by motoruf