Zurück zu
>
Roth / TORO
>
Handgeräte
>
Schneefräsen
>
zweistufig
>
1132
>
610/38160
>
9000001
>
Motor
Ersatzteillisten für Toro Roth / TORO Motor
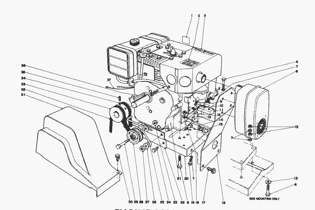
Pos.
Bezeichnung
Ersatzteilnummer
1
Choke Decal
29-6400
2
Decal Hot Surface Warning
29-6390
3
Decal Hazards Caution
29-6380
5
Schraube
32140-70
6
Schraube
322-9
7
Federring
3254-2
8
Muffler
274610
9
Federring
3254-10
10
Locknut
3296-1
11
Engine Mounting Block
22-8960
12
MUTTER
3296-29
13
Scheibe
3256-23
14
Rohrverlaengerung
289-20
15
Oelablasschraube
288-4
16
Muffler Mounting Bracket
29-9940
17
Schraube
323-6
18
Schraube
3231-27
19
Schraube
322-3
20
Engine Base
22-9030
21
Engine
221-604
22
Bracket Belt Idler
22-7960
23
Mutter
3290-357
24
Schraube
32144-15
25
Riemenfuehrung
8-8830
26
Scheibe
3256-25
27
Hex Locknut
32146-2
28
Riemenspannscheibe
244-63
29
Schraube
323-8
30
Schraube
32144-10
31
Keilriemenschutz
17-6550
32
Keilriemen
26-9670
33
Engine Pulley
21-4100
34
Keilriemen
17-6540
35
Set Screw
3246-14
36
Keil
5-0930
37
Wire
36-7490
Decal Replacement Serial Plate
25-9150
Gebrauchsanweisungen
Toro
Roth / TORO
Aufsitzmäher
Handgeräte
Kehrmaschinen
Schneefräsen
Zubehör
zweistufig
1332 PowerShift
1232 PowerShift
1132 PowerShift
1132
610/38160
9000001
Graderschild (Modell-Nr. 59051)
Auswurf Verlängerung 26-1100
Wetterschutz (Modell-Nr. 12-8100)
12 V Anlasser 37-4640
Motor B&S Modell-Nr. 252416 Typ 0141-01 (Fortsetzung)
Motor B&S Modell-Nr. 252416 Typ 0141-01
Motor B&S Modell-Nr. 252416 Typ Nr. 0141-01
Starter Motor Modell-Nr. 37-4630
Holm (Fortsetzung)
Holm
Motor
Rad
Antrieb (Fortsetzung)
Antrieb
Trommel (Fortsetzung)
Trommel
7000001
6000001
5000001
4000001
3000001
2000001
1000001
0000001
1028 PowerShift
924 PowerShift
828 PowerShift
824 PowerShift
824 XL
824
724
624 PowerShift
622
521
3521
einstufig
Sauger/Bläser
Rasenmäher
Robin
Impressum
(C) by motoruf